屋内プール用照明器具
ラインアップ
2023年3月 生産終了品
レディオック シーリングHB
タイプF
狭角タイプ
- ※
…グリーン購入法適合品
中角タイプ
- ※
…グリーン購入法適合品
広角タイプ
- ※
…グリーン購入法適合品
タイプV
狭角タイプ
- ※
…グリーン購入法適合品
中角タイプ
- ※
…グリーン購入法適合品
広角タイプ
- ※
…グリーン購入法適合品
仕様
| 光源色 | 昼白色(5000K) | |
|---|---|---|
| 器具光束(ℓm) | 19000 | |
| 消費電力(W) | 100V時 | 173 |
| 200V時 | 166 | |
| 242V時 | 164 | |
| 固有エネルギー消費効率(ℓm/W) | 100V時 | 109.8 |
| 200V時 | 114.4 | |
| 242V時 | 115.8 | |
| 光束維持時間 | 60000時間(光束維持率85%) | |
| 平均演色評価数 | Ra70 | |
共通仕様
| 定格入力電圧 | 100/200~242V対応 |
|---|---|
| 定格周波数 | 50/60Hz共用 |
| 本体・枠 | アルミダイカスト(特殊耐食処理+フッ素樹脂塗装) |
| 前面部 | 型押ガラス(テフロン膜付) |
| 取付金具 | ステンレス(特殊耐食処理後、フッ素樹脂焼付塗装) |
| 口出線 | キャブタイヤケーブル(器具外800mm付) |
|---|---|
| 耐雷サージ | 6kV(コモンモード) |
| 保護等級 | IP43 |
| 使用温度範囲 | -5℃~+35℃ |
| 仕上色 | ホワイト |
| 質量 | 8.5kg |
寸法図
タイプF
タイプV
レディオック シーリングHB 投光器タイプ
タイプF
狭角タイプ
EHCL17752N/NSAN8/SG/T SG形 
(灯具:EHCL17711N/NSAN8/SG/T-0+金具:AEPCL13S)
(旧形式:EHCL17751N/NSAN8/SG/T)
生産終了品
- 屋外・屋内用
- ※
…グリーン購入法適合品
中角タイプ
EHCL17752M/NSAN8/SG/T SG形 
(灯具:EHCL17711M/NSAN8/SG/T-0+金具:AEPCL13S)
(旧形式:EHCL17751M/NSAN8/SG/T)
生産終了品
- 屋外・屋内用
- ※
…グリーン購入法適合品
広角タイプ
EHCL17752W/NSAN8/SG/T SG形 
(灯具:EHCL17711W/NSAN8/SG/T-0+金具:AEPCL13S)
(旧形式:EHCL17751W/NSAN8/SG/T)
生産終了品
- 屋外・屋内用
- ※
…グリーン購入法適合品
タイプV
狭角タイプ
EHCL17762N/NSAN8/SG/T SG形 
(灯具:EHCL17721N/NSAN8/SG/T-0+金具:AEPCL13S)
(旧形式:EHCL17761N/NSAN8/SG/T)
生産終了品
- 屋外・屋内用
- ※
…グリーン購入法適合品
中角タイプ
EHCL17762M/NSAN8/SG/T SG形 
(灯具:EHCL17721M/NSAN8/SG/T-0+金具:AEPCL13S)
(旧形式:EHCL17761M/NSAN8/SG/T)
生産終了品
- 屋外・屋内用
- ※
…グリーン購入法適合品
広角タイプ
EHCL17762W/NSAN8/SG/T SG形 
(灯具:EHCL17721W/NSAN8/SG/T-0+金具:AEPCL13S)
(旧形式:EHCL17761W/NSAN8/SG/T)
生産終了品
- 屋外・屋内用
- ※
…グリーン購入法適合品
仕様
| 光源色 | 昼白色(5000K) | |
|---|---|---|
| 器具光束(ℓm) | 19000 | |
| 消費電力(W) | 100V時 | 173 |
| 200V時 | 166 | |
| 242V時 | 164 | |
| 固有エネルギー消費効率(ℓm/W) | 100V時 | 109.8 |
| 200V時 | 114.4 | |
| 242V時 | 115.8 | |
| 光束維持時間 | 60000時間(光束維持率85%) | |
| 平均演色評価数 | Ra70 | |
共通仕様
| 定格入力電圧 | 100/200~242V対応 |
|---|---|
| 定格周波数 | 50/60Hz共用 |
| 本体 | アルミダイカスト(特殊耐食処理+フッ素樹脂塗装)(HG形) アルミダイカスト(ポリエステル粉体塗装+アクリル塗装)(SG形) |
| 前面部 | 型押ガラス(テフロン膜付) |
| 台座付アーム | 鋼板(溶融亜鉛めっき後、フッ素樹脂焼付塗装)(HG形) ステンレス(ポリエステル粉体塗装+アクリル塗装)(SG形) |
| 口出線 | キャブタイヤケーブル(器具外800mm付) |
|---|---|
| 取付角度 | エニーポジション(制限なし) |
| 耐雷サージ | 6kV(コモンモード) |
| 保護等級 | IP43 |
| 使用温度範囲 | -5℃~+35℃ |
| 仕上色 | ホワイト |
| 質量 | 11kg |
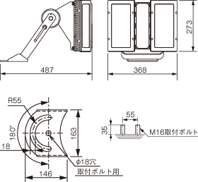
寸法図
タイプF
タイプV
器具可動角度
※本体取付方向制限はありません(エニーポジション構造)が、設置条件により上記のように、構造物と干渉します。