技術資料
町道ニセコ登山道路 LED街路灯着雪実験報告
電通設備株式会社 事業管理部 赤坂 人司
ニセコ町役場 建設課 藤田 明彦
岩崎電気株式会社 国内営業部 札幌営業所
キーワード
ニセコ登山道路,LED街路灯,着雪実験
「LEDポールライト」のご案内
さまざまな形状からお選びいただけるラインアップ、雪割笠のオプションを用意したレディオック エリア トリカ-エルなどの「LEDポールライト」の詳細は以下よりご覧いただけます。
- LEDポールライト
5.実験結果と考察
5.1 実験結果
器具タイプAは,本実験期間中かなりの着雪があった。さらには,降雪量が多く寒暖差の激しい期間には,氷柱の発生が認められた。
器具タイプBは,全ての環境条件(降雪量多/風速/湿度/寒暖差/その他)の変化に対して実験期間中を通して,着雪が無く良好な実験結果となった。
器具タイプCは,本実験期間中に着雪があった。また,降雪量が多く寒暖差の激しい期間には,かなりの着雪と氷柱の発生が認められた。
器具タイプDは,本実験期間中に着雪があった。しかしながら,降雪量が多く寒暖差の激しい期間においては,無着雪が認められた。
器具タイプEは,本実験期間中に着雪が認められるが,その他のLED器具と比べると器具天面が平坦である為,比較的少ない着雪であった。しかしながら,降雪量が多く比較的暖かい時期には,早々に氷柱の発生が認められた。
5.2 考察
- LED器具の天部形状は,本実験における環境条件下においては,着雪しづらい程度の天面の傾斜(照明配光特性による制約があるが)と,横風に対する横殴りの雪を払い落すような空気力学的な応力効果が期待できる外形形状を備えることが望ましいと推測される。
- LED器具の天面の傾き角度は,同一形状で傾き角度の異なる2機種(タイプC(5度)とタイプD(15度))の比較検証より,角度が大きいほど着雪が少ない傾向となることが判った。
- LED器具の天面は,凸凹の段差を付け摩擦抵抗を大きくしたタイプAの検証結果に示されているように,着雪をしずらくする為に出来るだけフラットにして引っ掛かり(摩擦)を無くす天面形状が望ましいことが判った。
- LED器具への着雪は,湿度が低くて乾いた雪が降り,かつ風速が強い条件下では,比較的少ない傾向となった。
- LED器具は,光源の熱で天面が熱せられることが無く外気温と同じ環境条件下にあっても,自然環境条件(降雪/風速/湿度/寒暖差/その他)の昼夜間や日々の気象変化が起こり,かつ器具形状が着雪しやすく落雪しづらい形状であれば,氷柱が発生することが判った。
- 寒冷地用LED街路灯は,「天部形状が氷柱抑止には重要な要件」となる。
- 器具天面への雪割りプレートの設置は,雪の吹き溜まりを生じさせて,結果的には着雪を助長させて好ましくないことが判った。
6.まとめ
自然環境下で吹く風雪は,低温実験室内(一方向)とは違って,あらゆる方向から吹く為に,LED器具のある一方向の見かけの面積が大きかったり天面に凹凸があると,吹き溜まりが発生して着雪が成長することが判った。
従って,LED器具天面への着雪は,自然環境の日々変化の過程で氷柱発生の源になる為に,極力着雪を抑止する形状としなければならない。
LED器具の天部形状は,本実験結果から,多面体形状を構成し傾斜を変えて,一方向から見た見かけ面積を少なくすることで,風の乱流と変動を生じさせて,降雪を払いのける風応力を発生させる形状が良いと推測される。
本実験から,ニセコ地区の自然環境条件下(降雪量多/風速/湿度/寒暖差/その他)においては,実験の全期間中に亘り,着雪がほぼ皆無であったLED器具タイプBが,4種類の着雪抑止対策品LED街路灯の中で最も良い天部外形形状である事が示唆された。
着雪抑止対策を講じなかったLED器具(タイプE:標準品)は,本実験の期間中,低温室内実験結果と同様に,設置早々に氷柱の発生が認められ,降雪地域での設置には着雪抑止対策を講じる必要のある事が判った。
参考までに,着雪抑止対策品のLED街路灯4タイプについて,着雪の少なかった順番を下記に示す。
- タイプB(着雪が全期間に亘りほぼ皆無で,氷柱の発生無し)
- タイプD(氷柱が発生する)
- タイプC(氷柱が発生する)
- タイプA(着雪が最も多く,氷柱も発生する)
7.おわりに
厳冬期の現有道路における屋外自然環境下での検証結果は,寒冷地用LED街路灯の器具天部形状を決める際に,室内低温実験では得がたい貴重な知見が得られた。
器具開発に携わる関係諸氏が,本実験報告の検証結果(※注)を参考にされ,寒冷地用のLED街路灯開発のよすがとなれば幸いである。
さいごに,実験場所をご提供して頂いたニセコ町役場の方々,ならびにLED街路灯設備を施工・設置し御協力頂いた関係各位に対して,深く感謝申し上げると共に,心より御礼申し上げます。
- ※注:LED街路灯 氷柱実験報告の記事も合わせて参考にされたい。
この記事は弊社発行「IWASAKI技報」第24号掲載記事に基づいて作成しました。
(2011年5月9日入稿)
参考資料
| 観測月日 | 平均降水量 (mm) |
平均気温 (℃) |
最高気温 (℃) |
最低気温 (℃) |
平均湿度 (%) |
平均風速 (m/s) |
最大瞬間風速 (m/sec) |
風向 |
|---|---|---|---|---|---|---|---|---|
| 1/1~1/10 | 5.1 | -3 | -8.5 | -11.8 | 75.8 | 3.4 | 16.9 | 北北東-西南西-西 |
| 1/11 定点観測日 |
3.0 | -8 | -3.7 | -9.2 | 80 | 2.4 | 10.5 | 西 |
| 1/12~1/17 | 7.3 | -6.2 | -0.1 | -11.3 | 79.8 | 2.8 | 15.1 | 北東-西-西南西 |
| 1/18 定点観測日 |
0 | -3.4 | 0.4 | -7.5 | 79 | 2.6 | 10.9 | 西 |
| 1/19~2/6 | 3.4 | -6.5 | 3.4 | -12.8 | 76 | 2.7 | 14.8 | 西南西-西-西北西 |
| 2/7 定点観測日 |
3.0 | -4.7 | 0.2 | -8.3 | 71 | 4.8 | 13.5 | 西 |
| 2/8~2/27 | 1.7 | -3.2 | 8.4 | -10.6 | 63 | 1.9 | 14.1 | 西南西-北-西 |
| 2/28 定点観測日 |
0 | -3.7 | 3.3 | -7.9 | 51 | 2.1 | 10.7 | 東 |
| 3/1~3/2 | 1.3 | -2.3 | 2.7 | -6.1 | 68.5 | 1.7 | 11.3 | 南西-北西 |
| 3/3 定点観測日 |
5.5 | -6.3 | -3.4 | -9.6 | 77 | 2.5 | 12.3 | 西南西 |
| 3/4~3/10 | 3.6 | -3.9 | 4.6 | -12.1 | 70.7 | 2.4 | 14.8 | 西北西-西-南西 |
| 3/11 定点観測日 |
5.5 | -3.6 | 2.5 | -6.9 | 72 | 2.0 | 12.1 | 西 |
| 3/12~3/17 | 1.3 | -1.7 | 7.3 | -6.7 | 63.2 | 3.4 | 16.3 | 南西-西南西-西北西 |
| 3/18 定点観測日 |
0 | -2.3 | 1.4 | -8.3 | 64 | 3.6 | 14.5 | 西南西 |
| 3/19~3/25 | 2.0 | -0.5 | 8.1 | -7.2 | 64.4 | 2.7 | 14.0 | 西南西-西-東 |
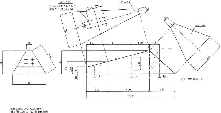
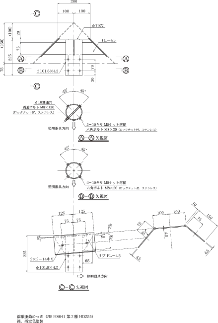
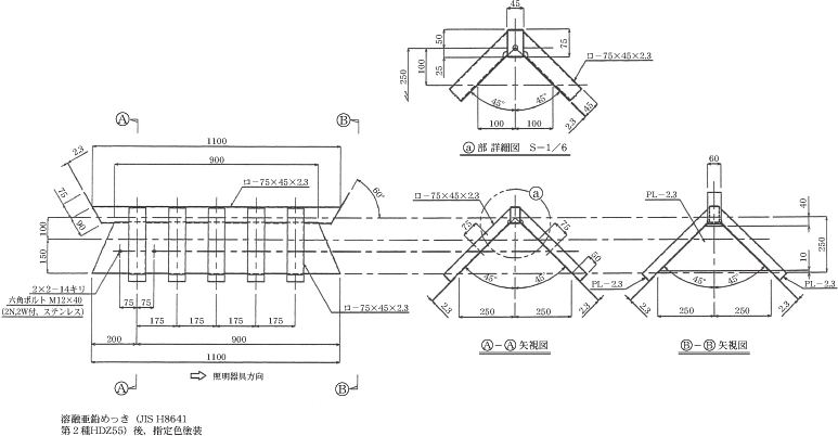
器具図面
本実験に用いたLED街路灯の付帯屋根等の部品の図面を以下に示す。
付図1 LED街路灯タイプA用付帯屋根(図番:BKE-10-0585)
付図2 LED街路灯タイプB用付帯屋根(図番:BKE-10-1008)
付図3 LED街路灯タイプC及びD用付帯屋根(図番:BKE-10-0584)
付図4 LED街路灯タイプE用部品(図番:BKE-10-0594)
タイプEは付帯屋根はなく,ポール先端にキャップを被せる。
付図5 街路灯ポール
付図6 付帯屋根取付金具(傾斜角度5°用)(図番:BKE-10-0587)
付図7 付帯屋根取付金具(傾斜角度15°用)(図番:BKE-10-0589)
テクニカルレポートに掲載されている内容は、原稿執筆時点の情報です。ご覧の時点では内容変更や取扱い中止などが行われている可能性があるため、あらかじめご了承ください。