技術資料
Hf16W 共同溝照明器具
照明部 製造開発管理課
照明部 商品開発課
キーワード
共同溝,器具効率,コスト縮減,長寿命,軽量化
「LED防浸形照明器具」のご案内
共同溝や地下横断歩道などで使用できる、一時的な水没に対応可能なLED防浸形照明器具「LEDioc LED防浸形照明器具」の詳細は以下よりご覧いただけます。
- LED防浸形照明器具
1.はじめに
共同溝用照明器具は,建設電気技術協会に昭和56年より当社の器具を仕様化していただいた結果,国土交通省管轄の共同溝に他社ブランドも含め当社製造器具が約25年間,採用されてきた。
しかしながら,省エネ・CO₂削減・環境配慮などの要求から器具のリニューアルの必要性が生じた。そこで,光源として高効率ランプFHF16Wを使用し,また,反射板により配光制御を行うことで効率の高い照明が可能となる器具の開発を行った。
2.商品概要
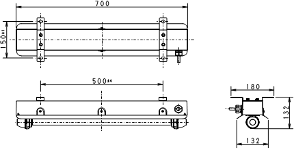
表1に仕様を示す通り,4品種をラインナップした。また,チェーン吊りタイプおよび直付けタイプの外形・寸法を図1,図2にそれぞれ示す。
| セット形式 | 本体形式 | セット品 | タイプ | 入力電圧 | 周波数 | 姿図 |
|---|---|---|---|---|---|---|
| KDHF2A1 | KDHF2A1-0 | チェーン吊具 KFC10 | チェーン吊り | 100V | 50Hz / 60Hz共用 | ![]() |
| KDHF2A2/254 | KDHF2A2/254-0 | 200V~254V | ||||
| KDHF2B1 | KDHF2B1-0 | 防水グランド SC3B | 直付け | 100V | ![]() |
|
| KDHF2B2/254 | KDHF2B2/254-0 | 200V~254V |
- 適合ランプ:FHF16EX-N-H
- 本体色:マンセルN7(グレー)
図1 チェーン吊りタイプの外形・寸法
図2 直付けタイプの外形・寸法
3.特長・機能
- 使用ランプを,ラピッドスタート形FL20Wから高周波点灯形Hf16Wへ変更することにより,消費電力を抑え,省エネ・CO₂削減が可能となった。
- ソケットに用いるパッキンを,Hfランプ用に新規に製作した。防水性能を向上させるために溝を設けた。ソケットの写真およびパッキン断面図を図3,図4に示す。
- 本体材料をステンレス鋼板からABS合成樹脂へ,また,安定器を銅鉄製から電子式へ変更することにより軽量化を図った。
- 共同溝で使用するため,本体の樹脂を耐アルカリ性を有するABS樹脂とした。また,自己消火性であるUL規格のV-0グレードの材料を使用した。
- 器具取付脚やチェーン取付金具をボルトにて取り付ける箇所は,リブを同心円状に設け(図5),補強板を当てることにより強度を確保した。(図6)
- 塗装は,有機溶剤を使用しない無公害な塗装を施し,環境への負荷を低減した。
- 従来品と同じ設置方法であるため,既設箇所への置き換えも可能とした。
- 反射板をステンレス鋼板の磨き材から笠付形状の高反射粉体白色塗装へ,また,ランプをFL20WからHf16Wへ変更することにより,照明率の向上を図った。本開発品と従来品の照度分布図を図7に示す。
図3 ソケット写真
図4 ソケットパッキン断面図
図5 同心円状のリブ
図6 リブおよび補強板
図7 平均照度を15ℓxとした時の照度分布図
- 設置条件:
共同溝幅 2.0m,器具設置高さ 2.1m,器具設置位置 壁面より0.5m,平均照度 15ℓx
4.おわりに
今回の開発により,軽量化,省施工,省エネルギー,CO₂削減,環境負荷の軽減,トータルコストの削減を特長とする共同溝用照明器具の提供が可能となった。
この記事は弊社発行「IWASAKI技報」第20号掲載記事に基づいて作成しました。
(2009年5月11日入稿)
テクニカルレポートに掲載されている内容は、原稿執筆時点の情報です。ご覧の時点では内容変更や取扱い中止などが行われている可能性があるため、あらかじめご了承ください。

