施設報告
かわせみトンネルの照明設備 - FECセラルクスエースEX™のトンネル照明への納入事例 -
国内営業部 静岡営業所
キーワード
かわせみトンネル,入口照明,FECセラルクスエースEX™,演色性
1.はじめに
図1 トンネル坑口
静岡県東部に位置する三島市では,中心市街地に於いて,交通渋滞の緩和及び利便性の向上を目的として,内環状道路の谷田幸原線の建設が進められている。谷田幸原線は総延長3660mの市街地環状道路の一部であり,既に国道1号線から市道祇園原線までの1710mが開通している。その延長工事区間として建設が進められたのが,かわせみトンネルである(2010年4月1日開通)。トンネル名称の“かわせみ”は,平成13年(2001年)に三島市の市制60周年を記念して,市民公募により選ばれた三島市の鳥であり,トンネル坑口部にはかわせみが描かれている。(図1)
2.照明設計
2.1 施設概要
かわせみトンネルの諸元を表1に示す。
| トンネル名 | かわせみトンネル |
|---|---|
| トンネル延長(m) | 377.0 |
| 設計速度(km/h) | 60 |
| 交通量による低減 | あり(0.5) |
| 車道幅員(m) | 標準部:6.5 拡幅部:9.5 |
| 路面舗装 | アスファルト舗装 |
| 保守率 | 0.70 |
2.2 設計コンセプト
従来,トンネル照明器具に用いられるランプは,基本照明には蛍光灯,入口照明においては多くの光束が必要となるため,ランプ効率の高い高圧ナトリウムが選定されてきた。しかし光色は暖色味を帯び,演色性という点では高いとはいえなかった。
本施設は市街部にあり,また歩行者や自転車での利用も多いことから,演色性を重視し,近年ランプ効率・寿命が向上してきたセラミックメタルハライドランプ(弊社FECセラルクスエースEX™)を採用することとした。これにより,台数を抑えながら所要の明るさを満たしつつ,高圧ナトリウムランプでは成し得なかった入口照明の光色を白色とすることで,演色性を高めることをコンセプトとした(表2参照)。また,基本照明には蛍光灯45W2灯用の照明器具を配することで,トンネル全線を通して白色光で統一された照明環境の実現も可能となった。
2.3 設計基準値
かわせみトンネルの設計基準値を下記に記す。
- 基本照明-常時点灯
- 1.15(cd/m²)
- 野外輝度-起点側
- 2600(cd/m²)
- 野外輝度-終点側
- 2900(cd/m²)
| 光源 | 色温度(K) | 演色性(Ra) | ランプ効率(ℓm/W) | 平均寿命(h) |
|---|---|---|---|---|
| 高圧ナトリウムランプ | 2100 | 25 | 110~120 | 24000 |
| 蛍光ランプ | 4200 | 84 | 60~80 | 12000 |
| メタルハライドランプ | 4500 | 70 | 70~100 | 12000 |
| セラミックメタルハライドランプ | 3500 | 75 | 110~120 | 18000 |
2.4 照明手法
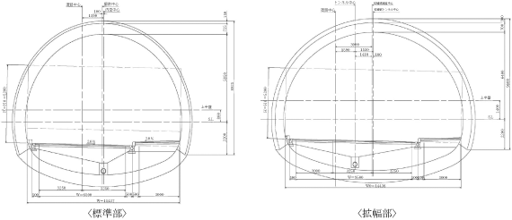
本施設のトンネル断面を図2に示す。本施設は,2車線区間の標準部と3車線(本線2車線+左折帯)区間の2断面を有する。各々の断面で器具取付角度及び設置間隔を設定することで,所要の明るさを統一した。
取付高さは,両区間ともに路面の均一性の保持,グレアの考慮,建築限界等を考慮し,H=5.2mとした。また配列方式は,設計速度は60(km/h)であるが,交通量による低減があるため,所要の輝度と経済性を勘案し,千鳥配列を採用することとした。
3.設備概要
3.1 設計結果
以上に基づき設計を行った結果を図3及び表3に示す。
基本照明の設置間隔は,標準部はS=14.5m,拡幅部はS=10.5mとした。
| 区分 | ランプ | 器具 | 台数 |
|---|---|---|---|
| 基本照明 | 蛍光灯 | ||
| 45W×2灯(8260ℓm) | KWFHP-0452B | 14台 | |
| (電池内蔵)45W×2灯(8260ℓm) | KWFHPP-0452B | 14台 | |
| 計 | 28台 | ||
| 入口照明 | セラミックメタルハライドランプ | ||
| 270W(32400ℓm) | KWMT270B | 26台 | |
| 220W(26500ℓm) | KWMT220B | 48台 | |
| 180W(21600ℓm) | KWMT180B | 6台 | |
| 150W(17300ℓm) | KWMT150B | 6台 | |
| 110W(12100ℓm) | KWMT110B | 26台 | |
| 計 | 112台 | ||
3.2 現地測定
照明設備の設置後に,現場状況の確認と照度測定を行った。
測定結果は,入口照明・基本照明ともに設計値を満たすことを確認した。
基本照明の照度測定結果を表4に示す。
また,トンネル内での点灯状態を図4,図5,図6に示す。運転者の視点から見ると,トンネル坑口付近においても,入口照明のセラミックメタルハライドランプ(色温度:3500K)と基本照明の蛍光灯(色温度:4200K)の色温度の違いも気にならず,白色光により高い演色性が確保できた。
図4 点灯状態(全点灯)
図5 点灯状態(基本照明のみ)
図6 光源の光色
| 平均路面輝度(cd/m²) | 標準部 | 拡幅部 | 基準値 | 備考 |
|---|---|---|---|---|
| 測定平均照度×保守率 M÷K | 1.66 | 1.64 | 1.16 | M=0.70 K=18 |
4.おわりに
本施設は,入口照明にセラミックメタルハライドランプ(FECセラルクスエースEX™)を採用した数少ないトンネルであり,これによりトンネル全線を白色光に統一し,より質の高い光環境を実現したトンネルでもある。近年,照明設備は経済性・省エネに加え,光環境の質的なファクターも重視され,運転者のみならず歩行者に対しても質の高い空間を実現することができた。
最後に,本照明設備の納入にあたり,ご指導,ご協力頂いた関係各位に深く御礼を申し上げる次第である。
この記事は弊社発行「IWASAKI技報」第22号掲載記事に基づいて作成しました。
(2010年5月17日入稿)
テクニカルレポートに掲載されている内容は、原稿執筆時点の情報です。ご覧の時点では内容変更や取扱い中止などが行われている可能性があるため、あらかじめご了承ください。

