LEDioc CEILING HB(レディオック シーリングHB) 投光器タイプ
ラインアップ
2023年3月 生産終了品
タイプF
狭角タイプ
- ※
…グリーン購入法適合品

1/2照度角 20°
1/10ビームの開き
鉛直面上94° 水平面上92°
中角タイプ
- ※
…グリーン購入法適合品

1/2照度角 28°
1/10ビームの開き
鉛直面上124° 水平面上118°
広角タイプ
- ※
…グリーン購入法適合品

1/2照度角 31°
1/10ビームの開き
鉛直面上150° 水平面上138°
タイプV
狭角タイプ

1/2照度角 21°
1/10ビームの開き
鉛直面上98° 水平面上132°

1/2照度角 31°
- ※
…グリーン購入法適合品
中角タイプ

1/2照度角 25°
1/10ビームの開き
鉛直面上122° 水平面上146°

1/2照度角 26°
- ※
…グリーン購入法適合品
広角タイプ

1/2照度角 30°
1/10ビームの開き
鉛直面上148° 水平面上170°

1/2照度角 30°
- ※
…グリーン購入法適合品
仕様
| 光源色 | 昼白色(5000K) | |
|---|---|---|
| 配光 | 狭角・中角・広角タイプ | |
| 器具光束(ℓm) | 20000 | |
| 消費電力(W) | 100V時 | 173 |
| 200V時 | 166 | |
| 242V時 | 164 | |
| 固有エネルギー消費効率(ℓm/W) | 100V時 | 115.6 |
| 200V時 | 120.4 | |
| 242V時 | 121.9 | |
| 光束維持時間 | 60000時間(光束維持率85%) | |
| 平均演色評価数 | Ra70 | |
| 入力電流(A) | 100V時 | 1.73 |
| 200V時 | 0.84 | |
| 242V時 | 0.71 | |
共通仕様
| 定格周波数 | 50/60Hz共用 |
|---|---|
| 本体 | アルミダイカスト(ポリエステル粉体塗装) |
| 前面部 | 型押ガラス |
| 台座付きアーム | 鋼板(溶融亜鉛めっき) |
| 口出線 | キャブタイヤケーブル(器具外800mm付) |
| 取付角度 | エニーポジション(制限なし) |
| 耐雷サージ | 6kV(コモンモード) |
|---|---|
| 保護等級 | IP43 |
| 使用温度範囲 | -5℃~+35℃ |
| 仕上色 | ホワイト |
| 質量 | 12kg |
- ※上記は周囲温度+25℃時の値です。
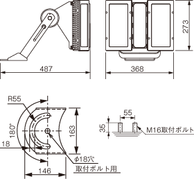
寸法図
タイプF
タイプV
器具可動範囲
※本体取付方向制限はありません(エニーポジション構造)が、設置条件により上記のように、構造物と干渉します。