防爆形LED照明器具 レディオック EX ヴェルノ 非常灯タイプ
…グリーン購入法適合品
ラインアップ
Hf32W 1灯用(高出力形)相当
スタンド形

- 50℃対応
- 屋内・屋外用
- 電源ユニット内蔵形
| 適合ポール | EXIPC1、EXIPC4、EXIPC5(適合ポール径ø48.6) EXIPC10、EXIPC11(適合ポール径ø42.7) |
|---|
- ※ポールは別売となります。
照度分布図
直付形
パイプ吊形
40°ブラケット形
特殊直付形
スタンド形(ø48.6)
スタンド形(ø42.7)
ステッキ形
※上の照度分布図は初期値を示します(単位:ℓx)
Hf32W 2灯用(高出力形)相当
スタンド形

- 50℃対応
- 屋内・屋外用
- 電源ユニット内蔵形
| 適合ポール | EXIPC1、EXIPC4、EXIPC5(適合ポール径ø48.6) EXIPC10、EXIPC11(適合ポール径ø42.7) |
|---|
- ※ポールは別売となります。
照度分布図
直付形
パイプ吊形
40°ブラケット形
特殊直付形
スタンド形(ø48.6)
スタンド形(ø42.7)
ステッキ形
※上の照度分布図は初期値を示します(単位:ℓx)
仕様
| Hf32W 1灯用(高出力形)相当 | Hf32W 2灯用(高出力形)相当 | ||
|---|---|---|---|
| 器具光束(ℓm) | 3340 | 6020 | |
| 消費電力(W) | 200V時 | 22.1 | 37.3 |
| 固有エネルギー消費効率(ℓm/W) | 200V時 | 151.1 | 161.3 |
| 光束維持時間 | 60000時間(光束維持率90%) | ||
| 光源色 | 昼白色(5000K) | ||
| 平均演色評価数 | Ra83 | ||
- ※落下防止ワイヤ付属
共通仕様
| 定格入力電圧 | 100~242V対応 |
|---|---|
| 定格周波数 | 50/60Hz共用 |
| 本体 | アルミダイカスト |
| 前面ガラス | 強化ガラス |
| 位置ボックス | アルミダイカスト(4方出・プラグ3個付)(直付形・パイプ吊形・40°ブラケット形) |
| ホルダ | アルミ鋳物(スタンド形) |
| 耐雷サージ | 4kV(コモンモード) |
| 保護等級 | IP65 |
| 使用温度範囲 | 5℃~35℃ |
|---|---|
| 仕上色 | グレイ(マンセルN7) |
| 質量 | 13.0kg(直付形) 13.3kg(パイプ吊形) 13.3kg(40°ブラケット形) 11.2kg(特殊直付形) 12.7kg(スタンド形 ø48.6) 12.9kg(スタンド形 ø42.7) 10.9kg(ステッキ形) |
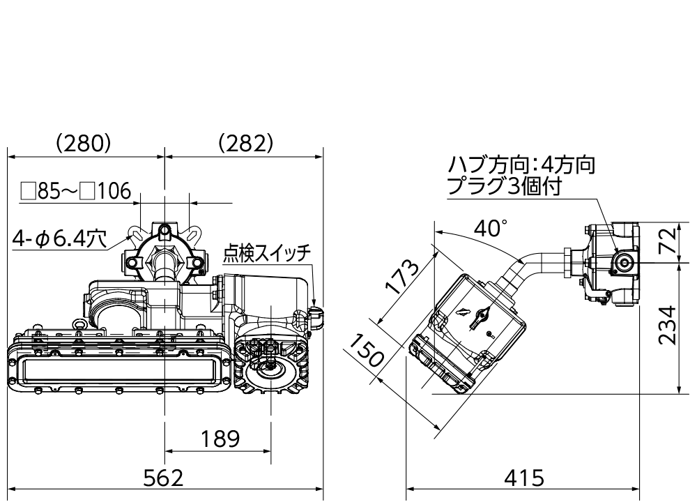
寸法図
直付形
パイプ吊形
40°ブラケット形
特殊直付形
スタンド形(ø48.6)
スタンド形(ø42.7)
ステッキ形
適合ポール組合せ参考図
スタンド形 ø48.6用
ポール:EXIPC1
参考組合せ例
- 本体+吊具
- EXICLA8022SA9A-L
- ポール
- EXIPC1
- ソケットレジューサ
- EXSR42-16
- ユニオン付ケーブルグランド
- EX16BRTE
- ジャンクションボックス
- EXG14-16F-G
ポール:EXIPC4
参考組合せ例
- 本体+吊具
- EXICLA8022SA9A-L
- ポール
- EXIPC4(ジョイントボックス付)
ポール:EXIPC5
参考組合せ例
- 本体+吊具
- EXICLA8022SA9A-L
- ポール
- EXIPC5(ジョイントボックス付)
スタンド形 ø42.7用
ポール:EXPC10
参考組合せ例
- 本体+吊具
- EXICLA8022SA9A-L42
- ポール
- EXPC10
- ニップル
- EXNP22
- ロックナット
- PF3/4用(納入外)
- ユニオン付ケーブルグランド
- EX22BRTC
- ジャンクションボックス
- EXG14-22F-G
ポール:EXPC11
参考組合せ例
- 本体+吊具
- EXICLA8022SA9A-L42
- ポール
- EXPC11
- ニップル
- EXNP22
- ロックナット
- PF3/4用(納入外)
- ユニオン付ケーブルグランド
- EX22BRTC
- ジャンクションボックス
- EXG14-22F-G
ステッキ形用
ポール:EXNS5
参考組合せ例
- 本体+吊具
- EXICLA8022SA9A-S
- ポール
- EXNS5
- ソケットレジューサ
- EXSR42-16
- ユニオン付ケーブルグランド
- EX16BRTD
- ジャンクションボックス
- EXG14-16F-G
※適合ポールへの落下防止ワイヤの取付けは、より安全にご使用いただくため、落下防止金具(EWA53・EWA63・EWA73)の併用を推奨します。
適合特殊工具(別売)
※特殊工具は付属しておりません。別途、手配ください。
オプション
※ガードとフロストパネルは同時に使用できません。
※表示価格は全て税抜き価格です。




