技術資料
LED共用灯 - LEDioc CEILING™ -
照明部 商品開発課
キーワード
LED,共用灯,環境,省エネ,LEDioc®
「レディオック シーリングⅡ」のご案内
蛍光ランプ10W器具と同等の大きさで取付穴も同ピッチ、10倍の長寿命のLEDシーリングライト「レディオック シーリングⅡ」の詳細は以下よりご覧いただけます。
- LEDioc CEILING Ⅱ(レディオック シーリングⅡ)
1.はじめに
現在,都市再生機構住宅に多数設置されている蛍光灯10Wトラフ形照明器具の代替品として,近年飛躍的に高効率化が進んでいるLED素子を光源に採用した,環境保全(CO₂削減)・ライフサイクルコストの低減等に寄与する照明器具の開発を行なった。
商品化にあたり掲げた目標(=LEDの使用によりもたらされる特長)は以下の通り。
- 蛍光灯10W器具と同等の明るさで消費電力40%~50%削減
=CO₂排出量の削減 - 省メンテナンス
- 水銀レス(環境負荷削減)
- 蛍光灯10W器具に対して漏れ光を削減
- 虫の飛来を抑制
- 取付部の大きさは従来の蛍光灯器具と合わせることにより,改修時に天井の汚れを気にせずに交換が可能。なおかつスマートなデザイン。
2.商品概要
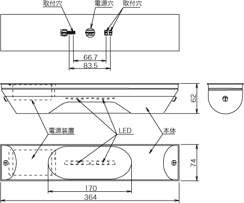
図1 器具外観
商品の外観イメージを図1に示す。
商品仕様を表1に記す。
3W形LED(100V時入力電力7W)を2個使用し,蛍光灯10Wトラフ形照明器具(入力電力13W)と同等の明るさを確保できたため,約45%の省エネを実現した。LEDの設計寿命は40000時間(光束維持率70%)で,蛍光灯10Wの約6.6倍の長寿命であり,ランプ交換の手間を軽減し,省資源にも貢献する。
| 形式 | LED | 希望小売価格 | 入力電力 | 本体材質 |
|---|---|---|---|---|
| EECL1001SA1/2 | 3W形LED×2個 | オープン | (100V) 7W (200V) 8W |
乳白アクリル |
電源電圧は100/200V,電源周波数は50/60Hzで共用。既存の照明器具を改修する際に天井面の汚れが気にならないよう,器具底面の寸法をFL10Wトラフ形照明器具と同等とした。また,取付穴寸法や取付間隔も同一としている。寸法図を図2に示す。
図2 器具の構成・寸法
3.特長・機能
図3 階段踊り場における実験風景
商品化にあたっては
- 従来の蛍光灯10Wトラフ形照明器具と同等の明るさ
- 電力の削減
を重視し,これらを実現するために試作品を数種類作成し,実際の現場に設置して照明実験を行なった。図3は階段の踊り場に設置した実験風景である。この実験において,蛍光灯10Wトラフ形照明器具と同等の明るさを出すことができるLEDの電流値などを測定し,商品仕様を決めていった。LEDを点灯させる電源装置も実験に基づいて自社開発し,本商品以外にも柔軟に適用できるようにした。
表2は,従来の蛍光灯10Wトラフ形照明器具と本商品(LEDioc CEILING™)の性能比較である。同等の明るさを維持した状態で入力電力を約45%抑えていることが分かる。
表2 蛍光灯10Wトラフ形照明器具とLEDioc CEILING™の性能比較
- AFTU1101

- BEECL1001SA1/2

光源
- A蛍光ランプ10W
- B3W形LED×2個
光源光束
- A490ℓm
- B411ℓm
入力電力
- A13W
- B7W(100V時)
45%減少
定格(設計)寿命
- A6000時間
- B40000時間
平均照度(4m四方)
- A7.4ℓx
- B8.8ℓx
15%増加
最大照度
- A13.4ℓx
- B18.1ℓx
25%増加
図4は本商品(LEDioc CEILING™)の配光図,図5は照度分布図である。比較のため蛍光灯10Wトラフ形照明器具の照度分布図を掲載する。
図4 LEDioc CEILING™配光図
蛍光灯10Wトラフ形
LEDioc CEILING™
図5 水平面照度分布図
- ※図中の数値は,初期水平面照度を示す。(単位:ℓx)
4.おわりに
本開発は蛍光灯10Wトラフ形照明器具をLEDに置き換える企画であったが,今後は蛍光灯20W逆富士形同等の明るさを持つLED照明器具の開発を行なう予定である。
この記事は弊社発行「IWASAKI技報」第20号掲載記事に基づいて作成しました。
(2009年5月11日入稿)
テクニカルレポートに掲載されている内容は、原稿執筆時点の情報です。ご覧の時点では内容変更や取扱い中止などが行われている可能性があるため、あらかじめご了承ください。