技術資料

エキシマ光照射装置の開発 - 装置開発の経緯と技術内容の紹介 -

技術開発室 技術研究所 知能化システムグループ
光応用事業部 EB推進室
光応用事業部
株式会社アイ・ライティング・システム 技術管理部

キーワード

キセノン(Xe),エキシマ,真空紫外光,172nm,照射装置

5. ランプ点灯電源

図3 点灯電源構成

当社のエキシマ光照射装置の電源部は,図3に示すように,商用三相電源からRF発振部に直流電力を供給する直流電源部,ランプを点灯するためのRF電力を発生させる自励発振部,および自励発振部とランプとの間の整合をとるためのマッチング部から構成されている。

5.1 直流電源部

図4 直流電源部

図4に直流電源部の写真を示す。デジタル方式のスイッチング電源で,各種通信機能を有している。ランプ始動直後は定電圧動作を行い,その後,すぐに定電力動作に移行する。電力制御の方法はA/Dコンバーターにより出力電圧,電流値を読み出し,マイコンにより電力計算を行って,その数値が指定電力値となるように,PWM生成回路を制御することにより行う。定電力動作を行うことによりランプのバラツキおよび経年変化をかなり低減することが可能となる。

ランプの調光は,発振部に供給する電力を調整することにより行う。また,電気的に絶縁された光センサーとのインターフェイスも有しており一定の照度制御も制御ソフトの変更で可能となる。通信機能としては,PLCとのインターフェイス,RS232Cによる外部PCとの接続等も可能な設計となっている。

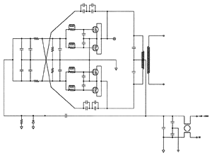
5.2 発振部

図5 発振部回路図

図5に発振部の回路図を示す。MOSFETトランジスターをパラレル・プッシュ接続した一般的な発振回路であるが,コイルによる帰還ではなく,コンデンサーによる帰還方式を採用している点が特徴である。自励発振方式によるランプ点灯方法は,ランプの電気的なインピーダンスが変動しても,特別な制御機構なしに,自動的に発振周波数が変化し,次の安定状態に瞬時に移行できるという優れた方式である。

5.3 マッチング部

特に,長いランプの巨大な容量成分は,発振部への大きな負担となる。この巨大な容量成分を打ち消すために,誘導成分を発振部とランプとの間に入れている。

おもしろいことに,発振器の出力部よりランプの両端の方が3倍程度高い電圧値となっている。


テクニカルレポートに掲載されている内容は、原稿執筆時点の情報です。ご覧の時点では内容変更や取扱い中止などが行われている可能性があるため、あらかじめご了承ください。