技術資料
フルカラーLED投光器 - LEDioc FLOOD FULL-COLOR™ -
株式会社アイ・ライティング・システム 開発・企画部 第一開発課
キーワード
フルカラー,LED,投光器,LEDioc FLOOD FULL-COLOR™,演出照明,省エネ,省施工
「レディオック フラッド フルカラー」のご案内
多彩な色の光を1台で自由自在に表現できるフルカラーLED投光器「レディオック フラッド フルカラー」の詳細は以下よりご覧いただけます。
- LEDioc FLOOD FULL-COLOR(レディオック フラッド フルカラー)
1.はじめに
HID投光器をカラー演出照明として使用する場合,一般的にカラーフィルターを使用するが,カラーフィルターは色抜けにより寿命が2年程度と短いため,定期的な交換作業が必要となっている。
近年,HIDの代替としてLEDによる高出力カラー演出が注目を浴びており,弊社においても演出市場へ進出するため,2013年にLEDioc FLOOD BLITZ™フルカラーを発売した。同商品は発売から4年が経過しており,器具の高出力化,小形化および軽量化への対応が要望されているため,より市場シェアを獲得できるようにフルカラー専用LED投光器の開発に着手した。
2.商品概要
本商品は出力タイプを2種類,配光は前面カバーと反射鏡の組み合わせで狭角,中角,広角と3種類をラインアップした。専用電源と組み合わせることで,フルカラーの制御を可能としている。
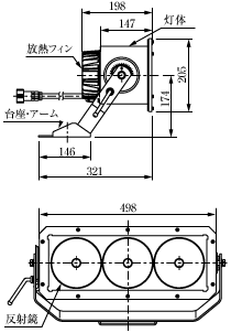
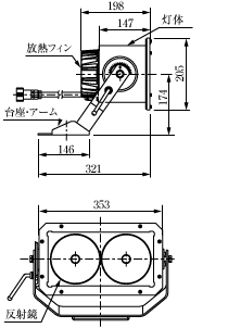
器具の外観図と外形寸法図を表1に,本商品のラインアップを表2に,商品仕様を表3に示す。
| 120Wタイプ | 80Wタイプ | |
|---|---|---|
| 外観図 | ![]() |
![]() |
| 外形寸法図 | ![]() |
![]() |
| タイプ | 120Wタイプ | |||
|---|---|---|---|---|
| 配光 | 狭角 | 中角 | 広角 | |
| 形式 | E36101N/FCSAN8 | E36101M/FCSAN8 | E36101W/FCSAN8 | |
| 本体形式 | E36101N/FC | E36101M/FC | E36101W/FC | |
| 電源形式 | LE102RGBHSD1/2.4-A1 | |||
| 定格光束(ℓm) | 6000 | 6000 | 5500 | |
| 質量(kg) | 10 | |||
| 消費電力(W) | 100V | 119.8 | ||
| 200V/242V | 116.0 | |||
| タイプ | 80Wタイプ | |||
|---|---|---|---|---|
| 配光 | 狭角 | 中角 | 広角 | |
| 形式 | E36201N/FCSAN8 | E36201M/FCSAN8 | E36201W/FCSAN8 | |
| 本体形式 | E36201N/FC | E36201M/FC | E36201W/FC | |
| 電源形式 | LE068RGBHSD1/2.4-A1 | |||
| 定格光束(ℓm) | 4000 | 4000 | 3500 | |
| 質量(kg) | 8 | |||
| 消費電力(W) | 100V | 81.5 | ||
| 200V | 80.0 | |||
| 242V | 79.8 | |||
| 材質 | 本体 | ステンレス |
|---|---|---|
| 前面カバー | 冷風強化ガラス | |
| 反射鏡 | ポリカーボネート | |
| 台座・アーム | 鋼板(溶融亜鉛めっき仕上) | |
| 仕上色 | ブラック(近似マンセルN1) | |
| 定格寿命 | 40000時間 | |
| 保護等級 | IP43 | |
| 使用温度範囲 | 器具 | -20℃~+35℃ |
| 電源ユニット | -20℃~+35℃ | |
3.特長・機能
3.1 高出力化
3.1.1 LEDパッケージ
本商品では,搭載するLEDを削減し,器具の高出力,小形化を図るため,カスタムパッケージを採用している。これにより,LEDioc FLOOD BLITZフルカラーで使用していたLEDパッケージのサイズを維持したまま,LEDに搭載する素子数を240素子から1.6倍の384素子に増加させ,LEDの光束量を3.3倍にアップさせた。表4に従来品との比較を示す。
| タイプ | LEDioc FLOOD BLITZフルカラー 200Wタイプ |
LEDioc FLOOD FULL-COLOR 120Wタイプ |
|---|---|---|
| 外観図 | ![]() |
![]() |
| 消費電力(W) | 231 | 120 |
| 受圧面積(m²) | 0.18 | 0.12 |
| 質量(kg) | 30(電源内蔵) | 17.5(器具:10,電源:7.5) |
| 1/10ビーム角度(°) | 48 | 18 |
| 保護等級 | IP43 | IP43 |
| 定格寿命(h) | 40000 | 40000 |
さらに,アルミダイカスト製の放熱フィンを採用することで,LEDの熱を効率良く放熱できる構造とした。
また,カラー演出では,カラーシャドウや照射面に色分解がないことが重要であるが,一般的なフルカラー投光器の場合は,R,G,B(赤,緑,青)のSMD型LEDを複数寄せ集めているため,特に器具に近い照射根元部分において色分解が発生する。本商品では,R,G,B素子を搭載したCOB型LEDパッケージを使用しているため,光が混色された状態で放射されており,色分解が発生しない構成となっている。色分解比較を図1に,演出例を図2に示す。
(a)一般的な器具
(b)LEDioc FLOOD FULL-COLOR
図1 色分解比較
図2 演出例
3.1.2 LEDモジュール対応
本商品の灯体部分は,金型を使用せずに板金加工で製作しているため,ラインアップ以上の高出力タイプの要望に対してもLEDモジュールの数を増やすことで対応ができるようになっている。
3.1.3 前面部構造
図3 前面部構造
高出力化に伴い,真上方向で橋梁等の主塔をライトアップするケースが多くなってきたが,従来の投光器では,前面部に水が溜まって照射面において光が水により揺らめき,溜まり水が乾いた際には水垢が前面ガラス表面に顕著に発生するという問題があった。
本商品では水が溜まらず真上のライトアップができるように,パッキンを前面ガラスの下に配置し,さらに前面枠にヘミング加工を施すことにより,前面ガラスと前面枠に隙間を設けて水の流れる経路を確保した。前面部構造を図3に示す。
3.2 小形化,軽量化(反射鏡の改良)
図4 配光制御イメージ
放物面を利用した反射鏡の場合,狭角性能を出すには光の制御角を多くする必要があるが,反射鏡が光軸方向に長くなってしまうためきょう体が大きく,質量が重くなる。そこで,LED側の反射鏡の径を従来品がø20に対して1.8倍のø36とした。反射鏡に対し,より点光源に近くなるため,光学性能を維持したまま反射鏡の高さを抑えることが可能となり,小形化,軽量化を実現することができた。配光制御イメージを図4に示す。
4.おわりに
2020年の東京オリンピックでは,DMX制御等を使用したフルカラー演出が主流となり,本商品はDMX制御に対応していることから多くの販売数量が見込めると考えている。今後は白色演出だけでなく,お客様が見て楽しみ,感動する演出を可能とするフルカラーLED照明器具の提案をしていきたいと思う。
この記事は弊社発行「IWASAKI技報」第36号掲載記事に基づいて作成しました。
(2017年5月16日入稿)
テクニカルレポートに掲載されている内容は、原稿執筆時点の情報です。ご覧の時点では内容変更や取扱い中止などが行われている可能性があるため、あらかじめご了承ください。





