技術資料
LEDioc FLOOD LA™
製造統括本部 照明部 第二商品開発課
製造統括本部 照明部 LEDオプトデザイン課
製造統括本部 照明部 LEDエンジニアリング課
キーワード
LEDioc FLOOD LA™,小形,ローコスト,長寿命,省施工,リニューアル
1.はじめに
照明分野ではLED照明器具の普及が加速しており,小形投光器の市場においてもLED照明器具のニーズが高まっている。これまでの小形投光器市場ではアイランプ®(白熱レフ電球)を使用する屋外ランプホルダとハロゲン電球を使用するハロゲンライトが主流となっていたが,アイランプ®(白熱レフ電球)については代替商品であるLEDアイランプ®が既に発売されており,市場で好評を博している。
今回はハロゲンライト(ハロゲン電球)250W相当の代替商品として,小形・高出力・ローコスト等,ハロゲンライトの特徴を継承した商品の開発を行い,小形LED投光器の商品ラインアップの拡充を図った。
2.商品概要
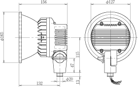
器具の外観を図1,寸法図を図2に示す。商品仕様を表1,品種一覧を表2に示す。
図1 器具外観
図2 寸法図
| 本体 | アルミダイカスト |
|---|---|
| 反射板 | アルミ |
| 前面カバー | 強化ガラス |
| 仕上色 | IV:アイボリー、BK:ブラック |
| 定格周波数 | 50/60Hz |
| 定格電圧 | 100~242V |
| 入力電流 | 100V:0.42A/200V:0.21A/242V:0.18A |
| 消費電力 | 100V:40.9W/200V:40.9W/242V:40.2W |
| 保護等級 | IP43 |
| 口出線 | 耐熱ビニール電線(器具外1300mm) |
| 質量 | 1.8㎏ |
| イメージ | 光源色 | 配光 パターン |
定格光束 | 製品形式 | 仕上色 |
|---|---|---|---|---|---|
![]() |
昼白色タイプ (5000K相当) |
中角タイプ | 3490ℓm | E0402N/SA9/IV | アイボリー |
| 広角タイプ | 3230ℓm | E0403N/SA9/IV | |||
![]() |
中角タイプ | 3490ℓm | E0402N/SA9/BK | ブラック | |
| 広角タイプ | 3230ℓm | E0403N/SA9/BK | |||
![]() |
電球色タイプ (2700K相当) |
中角タイプ | 3240ℓm | E0402LW/SA9/IV | アイボリー |
| 広角タイプ | 3000ℓm | E0403LW/SA9/IV | |||
![]() |
中角タイプ | 3240ℓm | E0402LW/SA9/BK | ブラック | |
| 広角タイプ | 3000ℓm | E0403LW/SA9/BK |
3.機能・特長
3.1 新規設置・置き換えが容易
商品構成や基本性能等はハロゲンライトと同様である為,そのまま提案が可能である。
また,既設ハロゲンライトからの改修では,照明器具を交換するだけでLED照明へリニューアルする事が可能とするが,既設の接続具の劣化や取付状態の安全確認を行う事が条件となる。
従来のハロゲンライトでは器具の取付方法によって口出線の長さ違いで商品展開していたが,今回の商品は口出線の長い仕様(口出線長1300mm)のみをラインアップしており,取付方法による商品選定する必要をなくした。
3.2 配光特性
ハロゲンライトは中心光度が強く,看板を照明する際にきれいな照度分布ではなかったが,本商品では均斉度が高く質のよい照明を行う事が可能である。(図3)
図3 配光比較
3.3 省エネルギー,ローコスト,長寿命
ハロゲンライト250Wと比較して84%の省エネルギー化と,低価格化を実現した事により,新規設置の場合でも初期投資額の差額を1年間で償却可能とした。
寿命についてはハロゲン電球の20倍の40000時間を達成している。(図4)
図4 新旧比較
3.4 豊富なフィッティング(接続具)
従来のハロゲンライト用フィッティング(接続具)は全て取付可能であり,仮設照明からライトアップ照明まで幅広い用途に採用可能とした。(図5)
図5 適合フィッティングの一例
3.5 オプションのラインアップ
照明器具が落下した際に事故を防止する為の落下防止ワイヤと,器具の前面部を保護するガードをオプション設定とした。
落下防止ワイヤは複数あるフィッティング(接続具)へ対応する為に,フランジ(台座・架台等)取付用とアーム取付用とで別商品として対応している。
アーム取付用は落下防止ワイヤとアーム補強金具を組み合わせて使用する構造としているが,既設でアーム補強金具が設置されている場合を想定して,商品構成はワイヤ(FP18-0)とアーム補強金具(FP15-B)のセット商品とした。(図6)
| 商品名 | イメージ | 製品形式 | 備考 |
|---|---|---|---|
| 落下防止ワイヤ | ![]() |
FP17 | フランジ取付用 |
![]() |
FP18 | アーム付用 (FP18-0 + FP15-B) |
|
| 前面ガード | ![]() |
GE0401J |
図6 落下防止ワイヤの取付例
4.おわりに
今回はハロゲンライト250Wが既設で使用されている環境にそのままで代替えとして使用可能となる小形LED投光器を商品化し市場へ投入した。今後はLED光源による小形投光器のリニューアルを行い,商品の統廃合と付加価値の高い製品開発を推進し,魅力ある商品ラインアップの拡大を図る予定である。
この記事は弊社発行「IWASAKI技報」第30号掲載記事に基づいて作成しました。
(2014年5月7日入稿)
テクニカルレポートに掲載されている内容は、原稿執筆時点の情報です。ご覧の時点では内容変更や取扱い中止などが行われている可能性があるため、あらかじめご了承ください。






