技術資料
LEDioc FLOOD NEO® 40・60・80・100W 品種拡大 - LED投光器 -
株式会社アイ・ライティング・システム 機器技術部 第二機器技術課
キーワード
LEDioc FLOOD NEO®,LED,投光器,高効率,消費効率,省エネ,軽量化
「レディオック フラッド ネオ シリーズ」のご案内
サインボード向けとして、また豊富なバリエーションで駐車場などのエリア照明、演出照明としても幅広く使用できるLED投光器「レディオック フラッド ネオ シリーズ」の詳細は以下よりご覧いただけます。
- LEDioc FLOOD NEO シリーズ(レディオック フラッド ネオ シリーズ)
1.はじめに
近年,照明のLED化が進む中,当社も各市場にLED照明器具を投入し,さらに高効率化や軽量化を図ったリニューアル商品を発売している。
2009年の初代LEDioc FLOOD NEOの市場投入から,2010年には効率アップした35W,50W,95Wを,更に2012年には,40・60・80・100Wを発売し,HID投光器アーバンアクト®β(セラルクス®70・150Wタイプ)の代替商品としてエリア照明・看板照明・ライトアップ等,多用途で好評を得ている。
LEDioc FLOOD NEO®(以下,NEOと略す)は,当初超広角配光の1種類で開発をスタートしたが,開発準備が整った為,狭角・中角・広角タイプの商品化を行った。
2.商品概要
本商品は,3種類の反射鏡,2種類の前面カバーの組み合わせにより狭角タイプ,中角タイプ,広角タイプの3種類の配光を持つ商品バリエーションとなっている。
2.1 商品構成・外観図
図1,図2に本商品の外観図を示す。
図1 LEDioc FLOOD NEO 40・60W
図2 LEDioc FLOOD NEO 80・100W
表1に商品構成を示す。本商品は計72品種から構成される。品種構成は,配光が3種類,仕上色が2種類,LEDの色温度が3種類,消費電力が4種類である。
表1 商品構成
| 形式 | 消費電力 | 配光 | LED | 仕上色 |
|---|---|---|---|---|
| ECF0484N/SA1/2/2.4/DG | 40W | 狭角タイプ | 5000K Ra70 |
ダークグレイ |
| ECF0484N/SA1/2/2.4/W | ホワイト | |||
| ECF0484W/SA1/2/2.4/DG | 4000K Ra80 |
ダークグレイ | ||
| ECF0484W/SA1/2/2.4/W | ホワイト | |||
| ECF0484LW/SA1/2/2.4/DG | 3000K Ra80 |
ダークグレイ | ||
| ECF0484LW/SA1/2/2.4/W | ホワイト | |||
| ECF0483N/SA1/2/2.4/DG | 40W | 中角タイプ | 5000K Ra70 |
ダークグレイ |
| ECF0483N/SA1/2/2.4/W | ホワイト | |||
| ECF0483W/SA1/2/2.4/DG | 4000K Ra80 |
ダークグレイ | ||
| ECF0483W/SA1/2/2.4/W | ホワイト | |||
| ECF0483LW/SA1/2/2.4/DG | 3000K Ra80 |
ダークグレイ | ||
| ECF0483LW/SA1/2/2.4/W | ホワイト | |||
| ECF0482N/SA1/2/2.4/DG | 40W | 広角タイプ | 5000K Ra70 |
ダークグレイ |
| ECF0482N/SA1/2/2.4/W | ホワイト | |||
| ECF0482W/SA1/2/2.4/DG | 4000K Ra80 |
ダークグレイ | ||
| ECF0482W/SA1/2/2.4/W | ホワイト | |||
| ECF0482LW/SA1/2/2.4/DG | 3000K Ra80 |
ダークグレイ | ||
| ECF0482LW/SA1/2/2.4/W | ホワイト |
| 形式 | 消費電力 | 配光 | LED | 仕上色 |
|---|---|---|---|---|
| ECF0684N/SA1/2/2.4/DG | 60W | 狭角タイプ | 5000K Ra70 |
ダークグレイ |
| ECF0684N/SA1/2/2.4/W | ホワイト | |||
| ECF0684W/SA1/2/2.4/DG | 4000K Ra80 |
ダークグレイ | ||
| ECF0684W/SA1/2/2.4/W | ホワイト | |||
| ECF0684LW/SA1/2/2.4/DG | 3000K Ra80 |
ダークグレイ | ||
| ECF0684LW/SA1/2/2.4/W | ホワイト | |||
| ECF0683N/SA1/2/2.4/DG | 60W | 中角タイプ | 5000K Ra70 |
ダークグレイ |
| ECF0683N/SA1/2/2.4/W | ホワイト | |||
| ECF0683W/SA1/2/2.4/DG | 4000K Ra80 |
ダークグレイ | ||
| ECF0683W/SA1/2/2.4/W | ホワイト | |||
| ECF0683LW/SA1/2/2.4/DG | 3000K Ra80 |
ダークグレイ | ||
| ECF0683LW/SA1/2/2.4/W | ホワイト | |||
| ECF0682N/SA1/2/2.4/DG | 60W | 広角タイプ | 5000K Ra70 |
ダークグレイ |
| ECF0682N/SA1/2/2.4/W | ホワイト | |||
| ECF0682W/SA1/2/2.4/DG | 4000K Ra80 |
ダークグレイ | ||
| ECF0682W/SA1/2/2.4/W | ホワイト | |||
| ECF0682LW/SA1/2/2.4/DG | 3000K Ra80 |
ダークグレイ | ||
| ECF0682LW/SA1/2/2.4/W | ホワイト |
| 形式 | 消費電力 | 配光 | LED | 仕上色 |
|---|---|---|---|---|
| ECF0884N/SA1/2/2.4/DG | 80W | 狭角タイプ | 5000K Ra70 |
ダークグレイ |
| ECF0884N/SA1/2/2.4/W | ホワイト | |||
| ECF0884W/SA1/2/2.4/DG | 4000K Ra80 |
ダークグレイ | ||
| ECF0884W/SA1/2/2.4/W | ホワイト | |||
| ECF0884LW/SA1/2/2.4/DG | 3000K Ra80 |
ダークグレイ | ||
| ECF0884LW/SA1/2/2.4/W | ホワイト | |||
| ECF0883N/SA1/2/2.4/DG | 80W | 中角タイプ | 5000K Ra70 |
ダークグレイ |
| ECF0883N/SA1/2/2.4/W | ホワイト | |||
| ECF0883W/SA1/2/2.4/DG | 4000K Ra80 |
ダークグレイ | ||
| ECF0883W/SA1/2/2.4/W | ホワイト | |||
| ECF0883LW/SA1/2/2.4/DG | 3000K Ra80 |
ダークグレイ | ||
| ECF0883LW/SA1/2/2.4/W | ホワイト | |||
| ECF0882N/SA1/2/2.4/DG | 80W | 広角タイプ | 5000K Ra70 |
ダークグレイ |
| ECF0882N/SA1/2/2.4/W | ホワイト | |||
| ECF0882W/SA1/2/2.4/DG | 4000K Ra80 |
ダークグレイ | ||
| ECF0882W/SA1/2/2.4/W | ホワイト | |||
| ECF0882LW/SA1/2/2.4/DG | 3000K Ra80 |
ダークグレイ | ||
| ECF0882LW/SA1/2/2.4/W | ホワイト |
| 形式 | 消費電力 | 配光 | LED | 仕上色 |
|---|---|---|---|---|
| ECF1084N/SA1/2/2.4/DG | 100W | 狭角タイプ | 5000K Ra70 |
ダークグレイ |
| ECF1084N/SA1/2/2.4/W | ホワイト | |||
| ECF1084W/SA1/2/2.4/DG | 4000K Ra80 |
ダークグレイ | ||
| ECF1084W/SA1/2/2.4/W | ホワイト | |||
| ECF1084LW/SA1/2/2.4/DG | 3000K Ra80 |
ダークグレイ | ||
| ECF1084LW/SA1/2/2.4/W | ホワイト | |||
| ECF1083N/SA1/2/2.4/DG | 100W | 中角タイプ | 5000K Ra70 |
ダークグレイ |
| ECF1083N/SA1/2/2.4/W | ホワイト | |||
| ECF1083W/SA1/2/2.4/DG | 4000K Ra80 |
ダークグレイ | ||
| ECF1083W/SA1/2/2.4/W | ホワイト | |||
| ECF1083LW/SA1/2/2.4/DG | 3000K Ra80 |
ダークグレイ | ||
| ECF1083LW/SA1/2/2.4/W | ホワイト | |||
| ECF1082N/SA1/2/2.4/DG | 100W | 広角タイプ | 5000K Ra70 |
ダークグレイ |
| ECF1082N/SA1/2/2.4/W | ホワイト | |||
| ECF1082W/SA1/2/2.4/DG | 4000K Ra80 |
ダークグレイ | ||
| ECF1082W/SA1/2/2.4/W | ホワイト | |||
| ECF1082LW/SA1/2/2.4/DG | 3000K Ra80 |
ダークグレイ | ||
| ECF1082LW/SA1/2/2.4/W | ホワイト |
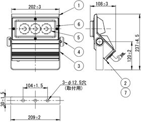
2.2 外形・仕様
図3,図4に外形・構造図,表2に仕様を示す。
図3 NEO 40・60W 外形・構造図
図4 NEO 80・100W 外形・構造図
①本体 ②電源フィン ③アーム ④締め付けネジ ⑤反射鏡(狭・中・広角) ⑥前面カバー ⑦電源
| 項目 | 仕様 |
|---|---|
| 灯体 | アルミダイカスト |
| 電源フィン | アルミダイカスト |
| 前面カバー | アクリル |
| 反射鏡 | ポリカーボネート |
| 塗装 | ポリエステル樹脂焼付塗装 |
| 仕上色 | ダークグレイ・ホワイト |
| LED |
|
| 使用周囲温度 | -5℃~+35℃ |
| 質量 |
|
| 防水・防塵性能 | IP65 |
| 設計寿命 | 60000h |
| LED電源内蔵 |
|
3.特徴・機能
3.1 軽量化・絶縁性能
本商品は,反射鏡を樹脂材料とし,アルミ蒸着面をアース部から電気的に分離することで絶縁性能の向上に繋がり,耐雷サージ:コモン15kV・ノーマル6kVを達成している。
また,反射鏡を樹脂製にすることによりECF1081(超広角タイプ)と同等の質量(NEO80W・100W:3.5kg,NEO40W・60W:2.6kg)を維持している。
3.2 光学特性
本商品は前面カバーを超広角タイプの平面形状から湾曲形状にし,狭角・中角・広角の反射鏡を配備したことにより,LEDioc FLOOD NEOシリーズで合計4種類の配光バリエーションを設け,用途に合わせた商品提案が可能になる。
表3~5に光学特性,表6に定格光束を示す。
| ビーム特性 BEAM |
||
|---|---|---|
| 最大光度 MAX INTENSITY |
2400 cd/1000ℓm | |
| ビームの開き SPREAD |
1/2 | H:28 V:28° |
| 1/10 | H:72 V:72° | |
| 1/20 | H:84 V:84° | |
| 効率 EFFICIENCY |
1/2 | 31.5% |
| 1/10 | 88.0% | |
| 1/20 | 94.5% | |
| ビーム特性 BEAM |
||
|---|---|---|
| 最大光度 MAX INTENSITY |
1430 cd/1000ℓm | |
| ビームの開き SPREAD |
1/2 | H:48 V:48° |
| 1/10 | H:76 V:76° | |
| 1/20 | H:82 V:82° | |
| 効率 EFFICIENCY |
1/2 | 57.0% |
| 1/10 | 94.0% | |
| 1/20 | 96.5% | |
| ビーム特性 BEAM |
||
|---|---|---|
| 最大光度 MAX INTENSITY |
890 cd/1000ℓm | |
| ビームの開き SPREAD |
1/2 | H:78 V:50° |
| 1/10 | H:104 V:76° | |
| 1/20 | H:108 V:84° | |
| 効率 EFFICIENCY |
1/2 | 66.5% |
| 1/10 | 95.5% | |
| 1/20 | 97.5% | |
| 消費電力[W] | 配光 | 5000K 定格光束 [ℓm] |
4000K 定格光束 [ℓm] |
3000K 定格光束 [ℓm] |
|---|---|---|---|---|
| 40 | 狭角タイプ | 4000 | 3400 | 3280 |
| 中角タイプ | ||||
| 広角タイプ | ||||
| 60 | 狭角タイプ | 5700 | 4840 | 4670 |
| 中角タイプ | ||||
| 広角タイプ | ||||
| 80 | 狭角タイプ | 8000 | 6800 | 6560 |
| 中角タイプ | ||||
| 広角タイプ | ||||
| 100 | 狭角タイプ | 9500 | 8070 | 7790 |
| 中角タイプ | ||||
| 広角タイプ |
また,看板照明での比較例を下記に示す。
HID投光器70W・150Wクラスと同等の照明を可能にし,更には42~77%の省エネ効果を実現している。
HID投光器とLEDioc FLOOD NEO(広角タイプ)の照度分布図比較
40W
- Aアーバンアクトβ(広角タイプ)+セラルクス70W
2灯 - Bレディオック フラッド ネオ 40W(広角タイプ・昼白色タイプ)(ECF0482N/SA1/2/2.4)
2灯
光源
- Aセラルクス70W
- BLED
消費電力※1
- A342W(171W×2)
- B80W(40W×2)
約77%省エネ
年間電気料金※2
- A28,728円
- B6,720円
22,008円お得
年間CO₂排出量※3
- A約588kg-CO₂
- B約138kg-CO₂
約450kg-CO₂削減
光源寿命
- A16000時間
- B60000時間
寿命3.75倍
平均水平面照度※4
- A1193ℓx
- B1139ℓx
明るさほぼ同等
- ※1:消費電力は、電源電圧100V時の特性を示す
- ※2:電気料金目安単価は21円/kWh(税抜)、年間点灯時間は4000時間で計算
- ※3:CO₂排出量は0.43kg-CO₂/kWhとして算出
60W
- Aアーバンアクトβ(広角タイプ)+セラルクス70W
5灯 - Bレディオック フラッド ネオ60W(広角タイプ・昼白色タイプ)(ECF0682N/SA1/2/2.4)
3灯
光源
- Aセラルクス70W
- BLED
消費電力※1
- A405W(81W×5)
- B180W(60W×3)
56%省エネ
年間電気料金※2
- A34,020円
- B15,120円
18,900円お得
年間CO₂排出量※3
- A約697kg-CO₂
- B約310kg-CO₂
約387kg-CO₂削減
光源寿命
- A16000時間
- B60000時間
寿命3.75倍
平均水平面照度※4
- A977ℓx
- B930ℓx
明るさほぼ同等
- ※1:消費電力は、電源電圧100V時の特性を示す
- ※2:電気料金目安単価は21円/kWh(税抜)、年間点灯時間は4000時間で計算
- ※3:CO₂排出量は0.43kg-CO₂/kWhとして算出
80W
- Aアーバンアクト(角形・広角タイプ)+ハイラックス150W
5灯 - Bレディオック フラッド ネオ 80W(広角タイプ・昼白色タイプ)(ECF0882N/SA1/2/2.4)
4灯
光源
- Aハイラックス150W
- BLED
消費電力※1
- A925W(185W×5)
- B320W(80W×4)
約65%省エネ
年間電気料金※2
- A77,700円
- B26,880円
50,820円お得
年間CO₂排出量※3
- A約1591kg-CO₂
- B約550kg-CO₂
約1041kg-CO₂削減
光源寿命
- A9000時間
- B60000時間
寿命6倍以上
平均水平面照度※4
- A815ℓx
- B858ℓx
明るさ同等以上
- ※1:消費電力は、電源電圧100V時の特性を示す
- ※2:電気料金目安単価は21円/kWh(税抜)、年間点灯時間は3000時間で計算
- ※3:CO₂排出量は0.43kg-CO₂/kWhとして算出
100W
- Aアーバンアクトβ(広角タイプ)+セラルクス150W
3灯 - Bレディオック フラッド ネオ 100W(広角タイプ・昼白色タイプ)(ECF1082N/SA1/2/2.4)
3灯
光源
- Aセラルクス150W
- BLED
消費電力※1
- A513W(171W×3)
- B300W(100W×3)
約42%省エネ
年間電気料金※2
- A43,092円
- B25,200円
17,892円お得
年間CO₂排出量※3
- A約882kg-CO₂
- B約516kg-CO₂
約366kg-CO₂削減
光源寿命
- A16000時間
- B60000時間
寿命約3.75倍
平均水平面照度※4
- A989ℓx
- B1079ℓx
明るさ同等以上
- ※1:消費電力は、電源電圧100V時の特性を示す
- ※2:電気料金目安単価は21円/kWh(税抜)、年間点灯時間は3000時間で計算
- ※3:CO₂排出量は0.43kg-CO₂/kWhとして算出
4.おわりに
本商品は,光学性能の拡充により合計72品種の品種拡大を達成した。
また,95ℓm/W以上の高い固有エネルギー消費効率を達成し,HID器具の代替,従来LED器具の代替(灯数・消費電力削減)となり,更なる省エネ効果を実現している。
開発スピードを重視したECF1081シリーズ(超広角タイプ)に,今回開発した狭角・中角・広角タイプを加えることで,LEDioc FLOOD NEO シリーズの商品ラインナップを網羅出来たと考える。
LED照明においては,開発期間の短縮も重要なポイントとなるので,今後の商品においてもスピーディーな商品開発を行っていきたいと考える。
この記事は弊社発行「IWASAKI技報」第29号掲載記事に基づいて作成しました。
(2013年12月5日入稿)
テクニカルレポートに掲載されている内容は、原稿執筆時点の情報です。ご覧の時点では内容変更や取扱い中止などが行われている可能性があるため、あらかじめご了承ください。