施設報告
東京体育館(23)改修電気設備工事の照明設備 - メインアリーナ照明 -
国内営業本部 東日本技術設計センター
国内営業本部 営業技術部 営業技術企画課
国内営業本部 東京広域営業所
キーワード
東京体育館,体育館照明,回転機構,グレア対策,投光器,メタルハライドランプ,LED
1.はじめに
東京体育館は,東京都渋谷区千駄ヶ谷に位置し,大規模な競技大会に対応できる国内でも中枢的な存在で,メインアリーナは最大1万人の観客が入場できる施設である。
これまでも,卓球,レスリング,バレーボール,フィギュアスケートなどの世界大会をはじめ,数多くの国際大会や全国大会が開催され,トップアスリートたちの熱戦を間近で観る貴重な体験ができる数少ない施設である。
図1 東京体育館メインアリーナ外観
その一方で,一般利用者がスポーツを気軽に楽しむ場として,併設されたプール,トレーニングルーム,陸上競技場などを日常的に開放している。
1990年に設置されたメインアリーナの照明リニューアルとして改修(件名:東京体育館(23)改修電気設備工事)が行われ,2013年4月1日にリニューアルオープンされた(図1)。本稿では,その改修された照明設備について紹介する。
2.設計コンセプト
既存照明の1kWメタルハライドランプ用投光器(主照明)は,既存照明より効率の良い1kWメタルハライドランプ用投光器(H567DX-OP)に改修を行い,既存照明の1.5kWハロゲンランプ用投光器(保安照明)は,LED 190W照明器具(EHCL19713N-OP)に改修した。また,新たに観客照明として,LED 35W投光器(ECF0376N)を設置した。LED照明を採用することによって,省エネルギー化を図ると同時に,万が一の停電時にも瞬間再点灯が可能となり,安全性を高めている。
1kWメタルハライドランプ用投光器(H567DX-OP)は,プレーヤーの眩しさを考慮して設置場所に応じて,縦ルーバ,横ルーバを使い分けしている。
3.設備概要
3.1 照明設備
照明設備は,表1に示す数量を設置した。
| 仕様 | 高さ | 数量 | |
|---|---|---|---|
| 主照明 | 1kWメタルハライドランプ用投光器(H567DX-OP) 縦ルーバ付 |
約17mから 約28m |
68台 |
| 1kWメタルハライドランプ用投光器(H567DX-OP) 横ルーバ付 |
224台 | ||
| 1kWメタルハライドランプ用投光器(H567DX-OP) ルーバ無し |
56台 | ||
| 保安照明 | LED 190W照明器具(EHCL19713N-OP) | 72台 | |
| 観客照明 | LED 35W投光器(ECF0376N) | 約17mから 約19m |
72台 |
3.2 照明器具回転機構
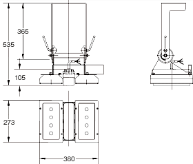
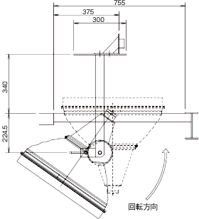
照明器具の前面ガラス及びルーバの清掃を考慮し,照明器具アーム部分の形状を標準品から変更することで,照明器具が180度回転するようにした。これにより,定期点検,定期清掃などの前面ガラス及びルーバの清掃を容易に行えるようになり,メンテナンス性を向上させた(図2~図5)。
図2 HID投光器(H567DX-OP)
図4 LED投光器(EHCL19713N-OP)
図3 HID投光器(H567DX-OP)回転状況
図5 LED投光器(EHCL19713N-OP)回転状況
3.3 グレア対策(ルーバ)
本施設は,バレーボール,バドミントンなど,天井を見上げる機会が多いスポーツの,快適な照明環境を確保するために,グレア対策としてルーバを設置した。
本施設の天井はドーム形状で,照明器具の設置位置により,プレーヤーに及ぼす影響が異なる。そのため,国際大会などのセンターコートを使用する場合を考慮して,コート中央の照明ラインは,縦ルーバを使用し,そのほかの照明ラインは,横ルーバを設置した(図6)。
また,体育館構造物,キャットウォークは,改修せずそのまま再利用するため,既存照明の設置場所と同じ限られたスペースに照明器具を収める必要があった(図7)。
図6 HID投光器(H567DX-OP)設置状況(横ルーバ付)
図7 照明器具設置スペース
本施設で使用する1kWメタルハライドランプ用投光器(H567DX-OP)は,既存照明器具よりひと回り大きく,さらにルーバを取付けると,既存照明のスペースに収まらない可能性があった。その為,縦ルーバ,横ルーバの幅を標準品の104mmから50mmに短くし,その分,ルーバ枚数を標準品の6枚から14枚に増やすことで,ルーバの効果を失うことなく,既存照明のスペースに収まるように考慮した(図8)。
図8 横ルーバ
3.4 LED照明
本施設の保安照明,観客照明として,以下の要求事項に合致する照明器具が求められた。
- 高所に設置するため出来る限りランプ交換,器具交換を減らしたい。
- 万が一の停電時,停電後の復電時などに,瞬時に点灯する製品
- 省エネ性能の高い照明器具
そのため,長寿命,瞬時点灯,省エネなどが特徴のLED照明を採用した(図9,図10)。
図9 保安照明LED 190W投光器(EHCL19713N-OP)点灯状況
図10 観客席照明LED 35W投光器(ECF0376N)点灯状況
3.5 設計照度
設計照度は,改修前より明るい維持平均照度1,500ℓxを満足するよう照明改修を行った(図11~図14)。
| 記号 | 仕様 | 高さ | 数量 |
|---|---|---|---|
| 1kWメタルハライドランプ用投光器(H567DX-OP) 縦ルーバ付 |
約17mから 約28m |
68台 | |
| 1kWメタルハライドランプ用投光器(H567DX-OP) 横ルーバ付 |
224台 | ||
| 1kWメタルハライドランプ用投光器(H567DX-OP) ルーバ無し |
56台 | ||
| LED 190W照明器具(EHCL19713N-OP) | 72台 | ||
| LED 35W投光器(ECF0376N) | 約17mから 約19m |
72台 |
図11 照度分布図(Tライン,Oライン点灯)
図12 メインアリーナ点灯状況1
図13 メインアリーナ点灯状況2
図14 メインアリーナ点灯状況3
また,設計照度に応じて数種類の点灯パターンでの照明点灯を考慮し,国際大会からレクリエーションレベルまで,幅広い利用目的に対応できるよう照明制御が可能である。
4.おわりに
要求事項を満足するために,現地調査を行い,社内試作品を製作し,取付確認実験を行うことで,すべてクリアすることができた。
2013年4月1日の全館営業再開以降は,一般利用者への貸し出し,競技大会の使用とも大好評で利用者が絶えないと聞く。
最後に,本照明設備の納入にあたり,ご指導,ご協力頂きました関係各位に深く御礼申し上げる。
この記事は弊社発行「IWASAKI技報」第28号掲載記事に基づいて作成しました。
(2013年5月7日入稿)
納入事例
テクニカルレポートに掲載されている内容は、原稿執筆時点の情報です。ご覧の時点では内容変更や取扱い中止などが行われている可能性があるため、あらかじめご了承ください。