施設報告
駒沢オリンピック公園総合運動場(第二球技場・補助競技場) - 光害対策形投光器による照明 -
国内営業事業部 関東技術設計センター
国内営業事業部 首都圏官公需営業所
キーワード
駒沢オリンピック公園総合運動場,光害対策高効率角形投光器,漏れ光,省エネ
4. 照明設備の特徴
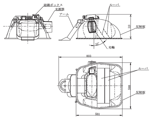
4.1 光害対策高効率角形投光器の採用
照明器具は,鉛直角0°の状態で光軸が35°前進し,ルーバが内蔵されている光害対策形投光器(図7)を採用しているため,従来の丸型投光器(ルーバ付)に比べ,プレーヤーへのグレアを軽減し,周辺及び上空への漏れ光を軽減させることができる。(図8,図9)
図7 光害対策形投光器
図8 第二球技場(夜間)
図9 補助競技場(夜間)
また第二球技場を例に挙げると,設計照度300ℓxを確保するために,従来の丸形投光器(ルーバ付)とメタルハライドランプ1500Wでは90台必要とするが,光害対策高効率角形投光器は器具効率の向上により56台で確保することが可能となり,電気料金を約38%削減することができた。
4.2 高演色,高効率ランプの採用
本施設では,プレーヤーのユニホームや人工芝の色などを忠実に再現することができる演色性Ra=65のメタルハライドランプを採用した。また,ランプ効率は107ℓm/Wと高効率である。
5. 照度測定結果
照明設備設置後に,設計照度を満足しているのか確認するため照度測定を行った。その結果を表1に示す。結果からもわかるように第二球技場,補助競技場ともに設計照度を満足している。また,工事業者様より周辺への漏れ光が軽減されていると,好評を得られた。
| 照明範囲 | 測定水平面照度 (ℓx) |
初期設計水平面照度 (ℓx) |
維持設計水平面照度 (ℓx) |
|---|---|---|---|
| 第二球技場 | 502 | 437 | 302 |
| 補助競技場 | 583 | 513 | 354 |
注記)保守率はM=0.69とする。
6. おわりに
近年,屋外施設周辺の住宅地や上空への漏れ光に対する関心が強くなってきており,多くの施設で光害対策が求められてきている。本施設の照明設備では光害対策形投光器を採用しているため,プレーヤーへのグレアや周辺及び上空への漏れ光を軽減することができた。また,従来形の丸型投光器に比べ所要台数を削減させることもできた。今後,光害対策を必要とする施設の照明設備に,当社の光害対策形投光器が多く採用されることを期待したい。
最後に,駒沢オリンピック公園運動場の照明設備の完成にあたり,ご指導,ご協力を頂きました関係者各位に心よりお礼を申し上げる。
この記事は弊社発行「IWASAKI技報」第13号掲載記事に基づいて作成しました。
(2005年9月6日入稿)
納入事例
テクニカルレポートに掲載されている内容は、原稿執筆時点の情報です。ご覧の時点では内容変更や取扱い中止などが行われている可能性があるため、あらかじめご了承ください。