LEDioc CEILING 低温対応形(レディオック シーリング 低温対応形)
ラインアップ
25Wタイプは高圧ナトリウムランプ用器具代替品、20Wタイプは白熱電球用器具代替品。
位置ボックス取付形

- 屋内・屋外用
- 電源ユニット内蔵形
EQCL1002DSA9A 20Wタイプ
¥55,000
EQCL1003DSA9A 25Wタイプ
¥68,800
※ 位置ボックス(EYP14-16(22,28)-G)とボックス(4方出)の使用しないハブ数量分のプラグ(EXP16(22,28)B)は別売となります。
照度分布図
20Wタイプ
25Wタイプ
LEDioc CEILING 低温対応形 仕様
| 20Wタイプ | 25Wタイプ | ||||
|---|---|---|---|---|---|
| 25℃使用時 | -40℃使用時 | 25℃使用時 | -40℃使用時 | ||
| 光源色 | 昼白色(5000K) | ||||
| 平均演色評価数 | Ra90 | Ra70 | |||
| 器具光束(ℓm) | 2360 | 2510 | 3880 | 4020 | |
| 消費電力(W) | 20.0 | 25.0 | |||
| 固有エネルギー消費効率(ℓm/W) | 200V時 | 118.0 | 125.5 | 155.2 | 160.8 |
| 光束維持時間 | 60000時間(光束維持率70%) | ||||
共通仕様
| 定格入力電圧 | 100~242V対応 |
|---|---|
| 定格周波数 | 50/60Hz共用 |
| 本体 | アルミダイカスト |
| グローブ | ポリカーボネート |
| 保護等級 | IP54 |
|---|---|
| 使用温度範囲 | -40℃~+35℃ |
| 仕上色 | 白色 |
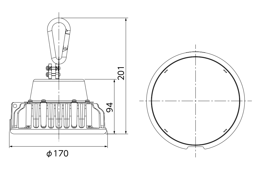
| 質量 | 1.4kg(位置ボックス取付形、直付・レースウェイ取付形) 1.7kg(吊下形) |
寸法図
位置ボックス取付形
吊下形
直付・レースウェイ取付形
※表示価格は全て税抜き価格です。

