LEDioc 密閉形LED照明器具
ラインアップ
直付形
パイプ吊形
40°ブラケット形
特殊取付形
角度可変形
スタンド形
- ※吊具・ポールは別売です。(写真は吊具付を掲載しています。)
- ※ポールの種類により別途配管部材が必要になります。
適合吊具:EYIBF50
適合ポール:EXIPC1、EXIPC4、EXIPC5
LEDioc 密閉形LED照明器具 セット内容
| タイプ | セット形式 | セット内容 | |||
|---|---|---|---|---|---|
| 灯具本体 | 吊具 | 位置ボックス | プラグ | ||
| 直付形 | EZL1041SA9-16-G | EZL041SA9-0 | EYFHT10 | EYP14-16-G | EXP16B×3個 |
| パイプ吊形 | EZL2041SA9-16-G | EYFHT20 | |||
| 40°ブラケット形 | EZL3041SA9-16-G | EYFHT30 | |||
| 特殊直付形 | EZL9041SA9-16 | EZL9041SA9-0-16 | EYFHT91 | - | - |
| 角度可変形 | EZL7041SA9-16 | EYFHT92 | |||
| スタンド形 | - | EZL8041SA9-0 | EYIBF50 | ||
- ※表中の形式はハブ寸法16(PF1/2)の場合です。ハブ寸法22(PF3/4)・28(PF1)の場合は形式中の「16」を置き換えてください。
- ※スタンド形はセット形式はありません。灯具本体・吊具・ポールなどをそれぞれご用命ください。
LEDioc 密閉形LED照明器具 仕様
| 直付形 | パイプ吊形 | 40°ブラケット形 | 特殊直付形 | 角度可変形 | スタンド形 | ||
|---|---|---|---|---|---|---|---|
| 器具光束(ℓm) | 3500 | ||||||
| 消費電力 | 100V時 | 41.2 | |||||
| 200V時 | 40.7 | ||||||
| 242V時 | 41.1 | ||||||
| 固有エネルギー消費効率(ℓm/W) | 100V時 | 84.9 | |||||
| 200V時 | 85.9 | ||||||
| 242V時 | 85.1 | ||||||
| 光束維持時間 | 60000時間 (光束維持率88%) | ||||||
| 光源色 | 昼白色(5000K) | ||||||
| 平均演色評価数 | Ra80 | ||||||
| 本体 | アルミダイカスト | ||||||
| 前面ガラス | 強化ガラス | ||||||
| パイプ | 鋼管 | - | |||||
| 結線ボックス | アルミニウム合金鋳物 | - | |||||
| 取付脚 | - | ステンレス | - | ||||
| 質量 | 8.1kg | 8.8kg | 8.4kg | 6.9kg | 7.1kg | 7.5kg | |
共通仕様
| 定格入力電圧 | 100~242V対応 |
|---|---|
| 定格周波数 | 50/60Hz共用 |
| 耐雷サージ | 15kV(コモンモード) |
| 使用温度範囲 | -20℃~+40℃ |
|---|---|
| 保護等級 | IP65 |
| 仕上色 | グレイ(マンセルN7) |
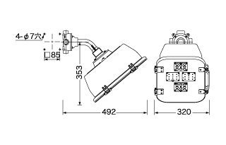
寸法図
直付形
パイプ吊形
40°ブラケット形
特殊直付形
角度可変形
スタンド形
取付姿勢
ブラケット形
角度可変形
スタンド灯ポール組合せ参考図
ポール:EXIPC1
参考組合せ例
| 本体 | EZL8041SA9-0 |
|---|---|
| 吊具 | EYIBF50 |
| ポール | EXIPC1 |
| ソケットレジューサー | EXSR42-22 |
| ジャンクションボックス | EYG14-22-G |
ポール:EXIPC4
参考組合せ例
| 本体 | EZL8041SA9-0 |
|---|---|
| 吊具 | EYIBF50 |
| ポール | EXIPC4(ジョイントボックス付) |
ポール:EXIPC5
参考組合せ例
| 本体 | EZL8041SA9-0 |
|---|---|
| 吊具 | EYIBF50 |
| ポール | EXIPC5(ジョイントボックス付) |
- ※周囲温度−20℃〜+40℃の範囲でご使用ください。
- ※照明器具を屋外で使用する場合、ねじかん合部をシール剤で防水処理してください。
- ※この器具の定格入力電圧は、100〜242V対応です。
- ※電源電圧変動の許容範囲は、定格入力電圧の±6%以内です。許容範囲内でご使用ください。
- ※直付形、パイプ吊形、特殊直付形、及び角度可変形は天井に下向きに、40゜ブラケット形は壁に下向きに取付けてください。