LEDioc CEILING(レディオック シーリング)
2020年6月 生産終了品
ラインアップ

段調光形
全点灯
内・外側点灯
非調光形
- ※
…グリーン購入法適合品 - ※上記の水平面照度分布図は初期値を示します(単位:ℓx)。
LEDioc CEILING(レディオック シーリング) 仕様
| 段調光形 | 非調光形 | |||
|---|---|---|---|---|
| 光源色 | 昼白色(5000K) | 電球色(3000K) | 昼白色(5000K) | 電球色(3000K) |
| 器具光束(ℓm) | 全点灯810ℓm 外側点灯410ℓm 内側点灯420ℓm | 全点灯650ℓm 外側点灯330ℓm 内側点灯340ℓm | 810 | 650 |
| 消費電力(W) | 全点灯8.8 外側点灯4.4 内側点灯4.4 | 7.6 | ||
| 固有エネルギー消費効率(ℓm/W) | 全点灯92.0 外側点灯93.1 内側点灯95.4 | 全点灯73.8 外側点灯75.0 内側点灯77.2 | 106.5 | 85.5 |
| 光束維持時間 | 60000時間(光束維持率70%) | |||
| 平均演色評価数 | Ra70 | |||
共通仕様
| 定格入力電圧 | 100V用 |
|---|---|
| 定格周波数 | 50/60Hz共用 |
| 本体 | アルミダイカスト(白色仕上) |
| カバー | アクリル(乳白色) |
| 耐雷サージ | 15kV(コモンモード) |
|---|---|
| 使用温度範囲 | −20℃~+35℃ |
| IP保護等級 | IP23 |
| 質量 | 1.2kg |
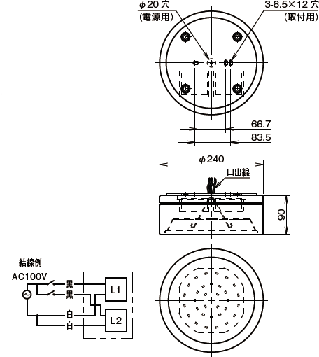
寸法図
段調光形
非調光形