電源ユニットの一体化により施工性が向上、耐塩仕様も標準化
「レディオック フラッド スポラート」をリニューアル
2024年8月19日
岩崎電気は、HID投光器のデザインを継承したLED投光器「LEDioc FLOOD SPOLART(レディオック フラッド スポラート)」シリーズ、210Wタイプ~65Wタイプの24形式をリニューアルし8月8日より発売しました。
HID投光器からの置き換えでも、違和感なくLED化できる器具形状と配光性能を備えた「レディオック フラッド スポラート」。
この度のリニューアルでは、従来の電源ユニット別置形の光学性能はそのまま、要望の多い電源ユニットの一体化により施工性が向上しました。
塗装仕様のグレードアップ(耐塩仕様の標準化)を行い、広場やグラウンド、駐車場、サイン・広告照明や景観照明、仮設現場ほか、塩害地域も含め、安心してご使用いただけるエリアが更に拡大しました。
既設のHID投光器(水銀ランプ 1000W)から、同等の明るさの210Wタイプへの交換の場合、約80%の節電に貢献します。
主な特長
電源ユニットを一体形にしてリニューアル
電源ユニットの一体化により施工性が向上。
施工作業の負担を軽減します。
HID投光器のデザインを継承
これまで幅広く普及してきたHID投光器、アイ スポラートのデザインを継承したLED投光器で、使い慣れた形状のままLED化を可能にし、取付方法も同設計で、ガードやルーバなどのオプションが必要な場合も同じ形式で適合します。
高効率で低炭素化に貢献
レディオック フラッド スポラート 210Wタイプは水銀ランプ 1000WのHID投光器と同等の明るさで、約80%の大幅な省エネを実現しランニングコストの削減に貢献します。
※入力電力200V時
耐塩仕様の標準化
耐塩仕様を標準化しておりますので、塩害地域でも安心してご使用いただけます。
安心のデザイン
これまで慣れ親しんだ器具のイメージはそのままに、LED投光器にリニューアルで約80%のCO₂削減
※既設のHID投光器(水銀ランプ 1000W)から、同等の明るさの210Wタイプへの交換の場合
H573D+水銀ランプ 1000W
コンパクトになって消費電力
約80%削減
レディオック フラッド スポラート 210Wタイプ
H373D+水銀ランプ 400W
ほぼ同じ大きさで消費電力
約69%削減
レディオック フラッド スポラート 130Wタイプ
主な仕様
| タイプ | 配光タイプ | 光源色 | 形式 | 器具光束 | 消費電力(200V時) | 平均演色評価数 | 希望小売価格(税抜) | 質量 |
|---|---|---|---|---|---|---|---|---|
210Wタイプ 水銀ランプ1000W相当 | 狭角タイプ | 昼白色 | E30434N/NSAN9 | 22000ℓm | 207W | Ra70 | △¥255,300 | 10.0kg |
| 電球色 | E30434N/LSAN9 | 19500ℓm | Ra80 | △¥255,300 | ||||
| 中角タイプ | 昼白色 | E30434M/NSAN9 | 23500ℓm | Ra70 | ¥241,300 | 9.2kg | ||
| 電球色 | E30434M/LSAN9 | 20800ℓm | Ra80 | △¥241,300 | ||||
| 広角タイプ | 昼白色 | E30434W/NSAN9 | 24000ℓm | Ra70 | ¥241,300 | |||
| 電球色 | E30434W/LSAN9 | 21200ℓm | Ra80 | △¥241,300 | ||||
160Wタイプ 水銀ランプ700W相当 | 狭角タイプ | 昼白色 | E30433N/NSAN9 | 18500ℓm | 161W | Ra70 | △¥225,900 | 9.2kg |
| 電球色 | E30433N/LSAN9 | 16400ℓm | Ra80 | △¥225,900 | ||||
| 中角タイプ | 昼白色 | E30433M/NSAN9 | 19000ℓm | Ra70 | ¥211,900 | 8.4kg | ||
| 電球色 | E30433M/LSAN9 | 16800ℓm | Ra80 | △¥211,900 | ||||
| 広角タイプ | 昼白色 | E30433W/NSAN9 | 19300ℓm | Ra70 | ¥211,900 | |||
| 電球色 | E30433W/LSAN9 | 17100ℓm | Ra80 | △¥211,900 | ||||
130Wタイプ 水銀ランプ400W相当 | 狭角タイプ | 昼白色 | E30432N/NSAN9 | 14700ℓm | 127W | Ra70 | △¥160,700 | 9.2kg |
| 電球色 | E30432N/LSAN9 | 13000ℓm | Ra80 | △¥160,700 | ||||
| 中角タイプ | 昼白色 | E30432M/NSAN9 | 15000ℓm | Ra70 | ¥144,700 | 8.4kg | ||
| 電球色 | E30432M/LSAN9 | 13300ℓm | Ra80 | △¥144,700 | ||||
| 広角タイプ | 昼白色 | E30432W/NSAN9 | 15900ℓm | Ra70 | ¥144,700 | |||
| 電球色 | E30432W/LSAN9 | 14100ℓm | Ra80 | △¥144,700 | ||||
65Wタイプ 水銀ランプ250W相当 | 狭角タイプ | 昼白色 | E30431N/NSAN9 | 8400ℓm | 63W | Ra70 | △¥143,300 | 8.2kg |
| 電球色 | E30431N/LSAN9 | 7400ℓm | Ra80 | △¥143,300 | ||||
| 中角タイプ | 昼白色 | E30431M/NSAN9 | 8500ℓm | Ra70 | ¥129,500 | 7.4kg | ||
| 電球色 | E30431M/LSAN9 | 7500ℓm | Ra80 | △¥129,500 | ||||
| 広角タイプ | 昼白色 | E30431W/NSAN9 | 8700ℓm | Ra70 | ¥129,500 | |||
| 電球色 | E30431W/LSAN9 | 7700ℓm | Ra80 | △¥129,500 |
- ※ナトリウム色(2100K)は特注にて対応可能。
- ※商品仕様詳細はお問合せください。
- ※△…受注生産品
共通仕様
- 屋外・屋内用
- 電源ユニット一体形
- 耐塩仕様
- 前面カバー
- 強化ガラス
- 保護カバー
- ポリカーボネート
- 反射鏡
- アルミ(内外面シリカガラス処理仕上)
- 放熱部
- アルミ・銅(ポリエステル塗装)
- 支持枠
- アルミダイカスト(ポリエステル塗装)
- アーム
- 鋼板(溶融亜鉛めっき)
- 耐雷サージ
- 15kV(コモンモード)
- 保護等級
- IP43
- 使用温度範囲
- -20℃~+35℃
- 仕上色
- グレイ(マンセルN6)
- 定格入力電圧
- 100~242V対応
- 定格周波数
- 50/60Hz共用
- 光束維持時間
- 60000時間(光束維持率70%)
- 光源色
- 昼白色(5000K)、電球色(2700K)
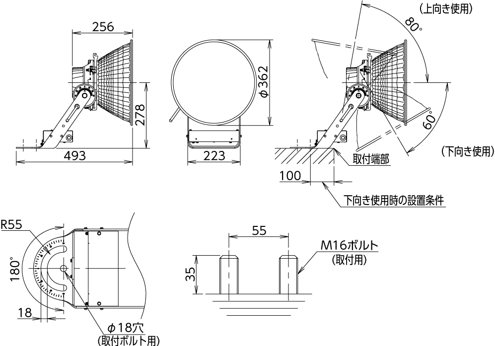
寸法図(単位:mm)
210Wタイプ

160W/130Wタイプ

65Wタイプ

詳細情報
- ※LEDには、ばらつきがあるため同一形式においても光色、明るさが異なる場合があります。
- ※商品改良のため、仕様・外観を予告無しに変更することがあります。
- ※光束維持時間は設計値であり、その値を保証するものではありません。
- ※特性値は周囲温度25℃時の値です。周囲温度により特性値は変わります。
ニュースリリースに掲載されている内容(サービスの内容、商品の価格や仕様など)は、発表日時点の情報です。ご覧の時点では内容が変更されている可能性があるため、あらかじめご了承ください。