技術資料
LEDサイン広告照明器具 - LEDioc FLOOD NEO®(リニューアル) -
株式会社アイ・ライティング・システム 開発・企画部 第一開発課
株式会社アイ・ライティング・システム 開発・企画部 第二開発課
キーワード
LED,サイン広告照明,LEDioc FLOOD NEO®,投光器,省エネ
「レディオック フラッド ネオ シリーズ」のご案内
サインボード向けとして、また豊富なバリエーションで駐車場などのエリア照明、演出照明としても幅広く使用できるLED投光器「レディオック フラッド ネオ シリーズ」の詳細は以下よりご覧いただけます。
- LEDioc FLOOD NEO シリーズ(レディオック フラッド ネオ シリーズ)
1.はじめに
弊社は,2009年に初代NEOシリーズ(35/95Wタイプ)を,2012年~2013年に2代目NEOシリーズ(40/60/80/100/130Wタイプ)を発売し,HID投光器アーバンアクトβ(セラルクス70/150Wタイプ)の代替商品として看板・エリア照明用途において好評を得ていた。
本商品は,発売から4~5年経過した2代目NEOシリーズのフルモデルチェンジに際し,NEOシリーズ3代目として品質向上(さまざまな使用環境への柔軟な適応)・性能向上・品種拡大の実現と,さらなる需要拡大を目的とし,開発に着手した。
2.商品概要
本商品は出力タイプが5種類あるが,本体サイズは2種類で構成している。また,配光は前面カバーと反射鏡の組合せにより4種類をラインアップしている。光源色も7種類設け,お客様のニーズに応えられるよう合計280品種の構成となっている。
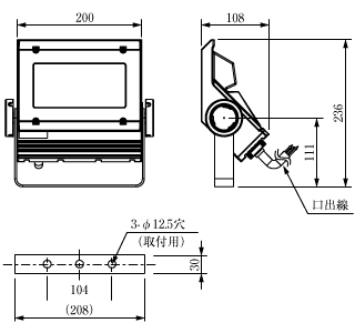
外観図を図1に,外形寸法図を図2に,品種一覧を表1に,商品仕様を表2にそれぞれ示す。
①出力タイプ:90/70/60/40/30クラス
②配光:狭角,中角,広角,超広角
③光源色:2700K,3000K,4000K,5000K,6500K,美vid 2700K,美vid 4000K
④仕上色:ダークグレー,ホワイト
図1 外観図
(a) 90/70/60クラス
(b) 40/30クラス
図2 外形寸法図
| クラス | 配光 | 定格光束(ℓm) | 消費電力(W) | 質量(kg) | |||||||
|---|---|---|---|---|---|---|---|---|---|---|---|
| LEDioc FLOOD NEO® | 美vid LEDioc FLOOD NEO® | 100V | 200V 242V |
||||||||
| 2700K | 3000K | 4000K | 5000K | 6500K | 2700K | 4000K | |||||
| 90クラス | 狭角 | 9850 | 10280 | 10860 | 12000 | 11400 | 6910 | 6010 | 88 | 88 | 3.5 |
| 中角 | |||||||||||
| 広角 | |||||||||||
| 超広角 | 10700 | 11400 | 11780 | 13300 | 12600 | 7590 | 6490 | 94 | 93 | ||
| 70クラス | 狭角 | 7790 | 8140 | 8590 | 9500 | 9020 | 5470 | 4750 | 69 | 69 | |
| 中角 | |||||||||||
| 広角 | |||||||||||
| 超広角 | 8450 | 8790 | 9300 | 10500 | 9970 | 5990 | 5120 | 73 | 72 | ||
| 60クラス | 狭角 | 6560 | 6850 | 7240 | 8000 | 7600 | 4600 | 4000 | 60 | 60 | |
| 中角 | |||||||||||
| 広角 | |||||||||||
| 超広角 | 7160 | 7450 | 7880 | 8900 | 8450 | 5080 | 4340 | 64 | 63 | ||
| 40クラス | 狭角 | 4760 | 4970 | 5240 | 5800 | 5510 | 3340 | 2900 | 44 | 44 | 2.8 |
| 中角 | |||||||||||
| 広角 | |||||||||||
| 超広角 | 4900 | 5190 | 5490 | 6200 | 5890 | 3540 | 3020 | ||||
| 30クラス | 狭角 | 3610 | 3770 | 3980 | 4400 | 4180 | 2530 | 2200 | 33 | 33 | |
| 中角 | |||||||||||
| 広角 | |||||||||||
| 超広角 | 3780 | 3930 | 4160 | 4700 | 4460 | 2680 | 2290 | ||||
注)器具形式の構成
(例)ECF0998L/SAN8/DGの場合
①クラス:90,②配光:狭角,③相関色温度:2700K,④仕上色:ダークグレー
| 材質 | 本体 | アルミダイカスト |
|---|---|---|
| 前面カバー | 強化ガラス | |
| 反射鏡 | ポリカーボネート | |
| アーム | ステンレス | |
| 仕上色 | ダークグレー ホワイト |
|
| 定格寿命 | 60000時間 | |
| 保護等級 | IP65 | |
| 使用温度範囲 | -20℃~+35℃ | |
| 耐雷サージ | 15kV(コモンモード) | |
3.特長・機能
3.1 LEDパッケージ
本商品は,器具の省エネ・小形化を達成することを目標とした。そこでLEDパッケージメーカーと共同開発を行い,器具の設計に適した形状と,最新のLED素子を搭載し,固有エネルギー消費効率(ℓm/W)を2代目NEOから最大で約1.4倍向上させたことで目標を達成している。また,質量は41%削減している。表3に従来品との比較を示す。
| タイプ | 2代目 LEDioc FLOOD NEO® 130Wタイプ |
3代目 LEDioc FLOOD NEO® 90クラス |
|---|---|---|
| 外観図 | ![]() |
![]() |
| 消費電力 | 130W | 94W |
| 固有エネルギー 消費効率 (超広角タイプ) |
102.3ℓm/W | 141.4ℓm/W |
| 定格光束 (超広角タイプ) |
13300ℓm | 13300ℓm |
| 質量 | 6.0kg(電源内蔵) | 3.5kg(電源内蔵) |
| 保護等級 | IP43 | IP65 |
| 配光品種 | 超広角 | 狭角/中角/広角/超広角 |
| 耐雷サージ | 6kV(コモンモード) | 15kV(コモンモード) |
| 使用温度範囲 | -5℃~+35℃ | -20℃~+35℃ |
3.2 前面(強化ガラス)構造
図3 前面部構造
NEOシリーズの使用環境では,真上点灯時にごみや枯葉等が前面部に積もる場合がある。そのような環境においては,前面カバーに樹脂材料を採用すると前面カバーの温度が上昇し,溶けてしまうケースがある。
それを考慮して,本商品の前面カバーは耐熱性の高い強化ガラスを採用している。
また,前面ガラスと前面枠間に水が溜まらず流れるように,隙間を設けている。前面部構造を図3に示す。
3.3 防水膜構造
図4 防水膜構造
本商品はIP65の防じん・防水性能を有しているが,台風等の極端な豪雨が発生する環境においては,器具の内圧を調整する防水膜が水によって一時的に密封されるため,呼吸作用が停止してしまう可能性があった。
そこで,図4のように防水膜を離れた場所に2ヵ所設けることで,一方の呼吸が停止しても,もう一方が呼吸でき,過酷な環境下にも対応できるような構造としている。また,防水膜取付部は突起を設け,水が溜まりづらい構造としている。
3.4 CISPR15準拠
LED照明の普及に伴い,電源装置から放射されるノイズによって電波障害等の悪影響を及ぼしている事例が見受けられる。このような背景から,ノイズに対する品質向上に向けた取り組みとして,IEC規格(CISPR15規格)準拠が求められている。
本商品では,CISPR15に準拠するため,ノイズフィルタを高周波フィルタと低周波フィルタの2段構成とすることで解決している。クラスごとに適切なフィルタを選択,組合せることで,全クラスにおいてCISPR15準拠を達成している。
図5に3代目NEO90クラス(242V入力時)の雑音端子電圧を,図6に242V入力時の雑音電界強度を示す。いずれも基準値以下となっており,ノイズ性能向上を図っている。
図5 3代目NEO90クラス 雑音端子電圧
図6 3代目NEO90クラス 雑音電界強度
4.おわりに
本商品は,器具,電源,LED三位一体の開発により,目標としていた器具の省エネ効果を付加しつつ従来品の代替を可能とし,さらに品種拡大(NEO130Wタイプ代替品の配光品種・色温度の品種拡大)を実現した。
今後の予定としては,3代目NEOの開発完了に満足することなく,さらに進化させた4代目NEOの検討を開始する。
この記事は弊社発行「IWASAKI技報」第37号掲載記事に基づいて作成しました。
(2017年11月15日入稿)
テクニカルレポートに掲載されている内容は、原稿執筆時点の情報です。ご覧の時点では内容変更や取扱い中止などが行われている可能性があるため、あらかじめご了承ください。

