技術資料
QUAPIX™(写真測光法)を用いた道路照明環境の評価手法 - その1 -
- 路面輝度の測定 -
国内営業本部 営業技術部 照明研究課
キーワード
写真測光,輝度分布画像,路面輝度,輝度均斉度
「QUAPIX(クオピクス)」のご案内
独自の画像処理技術(クオリア解析)により人の感覚量をビジュアル化。高度な解析機能を備えた光環境評価システム「QUAPIX(クオピクス)」の詳細は以下よりご覧いただけます。
- 光環境評価システム QUAPIX(クオピクス)
1.はじめに
道路照明環境では,「路面上の障害物の有無がわかる」,「道路線形の状態が確認できる」といった,モノの見え方,すなわち「視認性」の評価が重要となる。視認性は,視対象物と背景との輝度対比によって評価する手法が一般的である。しかしながら,実際の道路照明環境下では,視対象物と背景輝度を特定し,その視認性を評価することは困難である。そのため「道路照明施設設置基準・同解説」1)では,「平均路面輝度」「輝度均斉度」「視機能低下グレア」について定量的な性能指標を定め,この性能を確認することで,良好な視環境,すなわち障害物や道路線形に対して必要な視認性が確保できるものとしている。
平均路面輝度・輝度均斉度の確認方法は,「JIS Z 9111 道路照明基準 - 付属書 - 」に路面輝度の測定方法が定められており,輝度計の視角や測定位置について規定されている。しかしながら,スポット輝度計を用いた路面輝度の測定は作業が煩雑であるため,定められた方法で路面輝度を実測し評価している例は少ない。
路面輝度を含む,空間全体の輝度分布は,部分輝度計を用いなくとも,デジタルカメラを用いて簡易的に測定が可能であることが知られている。写真測光といわれるこの方法は,あらかじめ校正したデジタルカメラで測定対象となる空間の写真を,露出を変えて複数枚撮影し,パーソナルコンピュータを用いて合成することで輝度画像を得ることができる(図1参照)。近年,デジタルカメラおよびパーソナルコンピュータの高性能化により,容易に高解像度な輝度分布の解析が可能になってきている。先に筆者らは,光環境評価システム「QUAPIX™」2),#1という,写真測光法を用いて,より速く簡単に空間の輝度分布を取得することのできるソフトウェアを開発している。本ソフトウェアを活用することで,これまで困難であった,「平均路面輝度・輝度均斉度」の実測評価が可能になるものと考えられる。
(注:#1 開発当初は「RTL」と称していた。)
図1 写真測光の概要
そこで本稿では,QUAPIXを用いた,道路の「平均路面輝度・輝度均斉度」の評価手法について検討し,実地実験によりその妥当性の検証を行ったのでその結果について報告する。
2.路面輝度の測定方法
図2は,CIE30.23)に示された逐点法による路面輝度の計算点である。路面輝度の計算は,はじめに各計算点の水平面照度を計算し,観測者と計算点との位置関係から輝度換算係数を求めて算出する。したがって路面輝度の実測は,この各計算点の輝度を測定し,その平均輝度・輝度均斉度を求めるのが望ましい。
図2 CIE30.2における輝度計算(測定)点
2.1 スポット輝度計を用いた路面輝度の測定方法
図3にスポット輝度計による部分輝度の測定方法の一例を示す。スポット輝度計は,地面から高さ0.1mの位置に設置し,5.7m先(俯角1°)の測定点の輝度を視角直径6分(0.1°)で測定する(図4参照)。図5に,スポット輝度計を用いた路面輝度の測定手順を示す。図に示すように,本手法による路面輝度の測定は,各測定点のマーキング作業や移動時間など非常に時間のかかる作業となる。そのため,図2に示す輝度計算点すべて(2車線の場合は100点)の部分輝度を,スポット輝度計で測定することは事実上困難である。
図3 スポット輝度計を用いた部分輝度の測定方法
図4 部分輝度の測定風景
図5 スポット輝度計を用いた路面輝度測定手順
2.2 QUAPIXによる路面輝度測定
図6 写真測光による路面輝度の測定方法
図6は,QUAPIXにより路面輝度を測定する場合のカメラと測定対象路面との位置関係を示したものである。図に示すように,カメラは測定対象区間の車線軸上に設置する。さらにカメラの画像中心は車線軸上の灯具間隔S/2の位置になるようにする。このときのカメラから灯具までの距離Dおよびカメラ高さHは,カメラの俯角が1°となるように設定する。
図7に,QUAPIXによる路面輝度の測定結果の一例を示す。QUAPIXでは,はじめに撮影画像を輝度分布画像に変換し,輝度分布画像中で路面輝度の測定範囲(台形マスク)を設定する(図7a参照)。次に台形マスク内の輝度分布を透視変換し路面を真上から見た,俯瞰輝度分布にする(図7b参照)。最後に,俯瞰輝度分布内で輝度の測定点を設定し,対応する画素の輝度値を取得する。このとき,輝度の測定点は,任意に設定することができるため,図2に示す輝度計算点すべての部分輝度を取得することが可能となる。なお,画像上の輝度値はすべて視角0.1°の範囲内の画素を平均して算出する。
(a) 輝度分布画像
(b) 俯瞰輝度分布
図7 QUAPIXによる路面輝度の測定結果
図8 QUAPIXを用いた路面輝度測定手順
図8に,QUAPIXを用いた路面輝度の測定手順を示す。本手法による路面輝度測定では,マーキング作業はカメラ設置位置と画像中心位置のみであるほか,測定も1回で終わるため,スポット輝度計を用いた路面輝度測定に比較して大幅時間短縮が可能となる。
3.QUAPIXによる路面輝度測定精度の検証実験結果
ここでは,QUAPIXによる路面輝度測定精度の確認のため,実環境にてQUAPIXとスポット輝度計を用いた路面輝度測定結果との比較検証実験を実施した結果について述べる。
実験は,株式会社つくばイワサキの構内実験道路(幅員W=7(m))にて実施した。図9は照明器具の設置位置を示したものである。照明器具は,取付間隔S=30(m),取付高さH=8(m)の位置に,LEDioc® ROAD J® 60VAを設置した。
図9 平面位置図
3.1 スポット輝度計による路面輝度測定
表1に実験に使用したスポット輝度計の型式と視角サイズを示す。スポット輝度計による部分輝度の測定は,図9に示す各測定点の輝度を測定した。ここで,図9中の破線内(繰返精度の検証点)に関しては,輝度測定の人為誤差を確認するため,3名の測定者で同じ点の測定を実施した。
| 輝度計 | TOPCON BM5-AS |
|---|---|
| 視角サイズ | 0.1° |
3.2 QUAPIXによる路面輝度測定
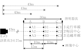
表2に実験で使用した,カメラおよびレンズの型式と撮影時の画素数,レンズ焦点距離の設定値を示す。図10は,カメラの設置位置および画像中心位置を示したものである。本実験では,カメラの俯角による路面輝度の測定差を検証するため,画像中心(図11参照)を図10に示す9点(A1-C3)設定し測定を実施した。カメラは,A1-C3の各点から43m手前の位置に設置した。なお,カメラの俯角は,画像中心をA2とした場合は0.8°,B2とした場合は1°,C2とした場合は1.3°となる。
| カメラ | CANON EOS kiss X4 |
|---|---|
| 画素数 | 5184×3456 |
| レンズ | SP AF17-50mm F/2.8 XR DiⅡ |
|---|---|
| 焦点距離 | 50mm |
図10 カメラ設置位置
図11 カメラ位置からの路面の撮影画像
3.3 路面輝度の測定結果
図12 スポット輝度計による路面輝度測定結
図12は,スポット輝度計による路面輝度の測定結果である。また,図13に,画像中心をA1-C3の各点とした場合のQUAPIXによる路面輝度の測定結果を示す。
図13 写真測光法による各測定位置での路面輝度測定結果
ここで測定結果を定量的に比較するため,各測定結果に対し,「平均路面輝度」「総合均斉度」「車線軸均斉度(走行車線・追越車線)」を算出した。その結果を表3および図14に示す。
| 平均路面輝度 | 総合均斉度 | 車線軸均斉度 | ||||
|---|---|---|---|---|---|---|
| Lr | Uo | UL1(走行) | UL2(追越) | |||
| スポット輝度計 | BM-5AS | 0.85 | 0.58 | 0.72 | 0.56 | |
| 写真測光 | 1.走行車線軸 | A | 0.92 | 0.59 | 0.74 | 0.74 |
| B | 0.91 | 0.55 | 0.75 | 0.79 | ||
| C | 0.85 | 0.54 | 0.68 | 0.78 | ||
| 2.幅員中心 | A | 0.92 | 0.60 | 0.80 | 0.63 | |
| B | 0.89 | 0.56 | 0.75 | 0.67 | ||
| C | 0.86 | 0.54 | 0.78 | 0.67 | ||
| 3.追越車線軸 | A | 0.92 | 0.62 | 0.81 | 0.65 | |
| B | 0.9 | 0.57 | 0.77 | 0.62 | ||
| C | 0.92 | 0.59 | 0.74 | 0.74 | ||
- 単位:cd/m²
(a) 平均路面輝度
(b) 総合均斉度
(c) 車線軸均斉度(走行車線)
(d) 車線軸均斉度(追越車線)
図14 路面輝度測定結果の比較
図および表より,QUAPIXでの平均路面輝度,総合均斉度の測定結果は,スポット輝度計の場合と比較して,いずれの測定位置でも測定差±10%となっており,よく一致した結果となっていることが確認できる。これに対し車線軸均斉度では,測定結果にバラつきが生じていることが確認できる。これは,車線軸均斉度の算出方法が,車線軸上のLmin/Lmaxであるため,測定点のわずかなズレなどにより,輝度の最大値Lmax,最小値Lminが変動してしまうためであると考えられる。次に俯角による路面輝度の測定差を比較する。平均路面輝度の測定結果を比較すると,俯角が浅い(俯角0.8°)ほど平均路面輝度の値が高くなっていることが確認できる。これはフレネル反射の法則(反射角が浅いほど反射率が高くなる)と一致しており,観測角が平均路面輝度の測定結果に影響を及ぼすことが確認できた。このことから,路面輝度の測定は,観測点と計算点の位置関係が計算条件とできるだけ一致するように実施することが,路面輝度の計算結果と比較する上で重要であるといえる。
3.4 繰り返し精度の検証結果
図15は,図9に示す繰り返し精度の検証点の輝度を,3名の測定者がスポット輝度計とQUAPIXとで測定した結果を比較したものである。図よりスポット輝度計を用いた場合では,各測定点の標準偏差の割合(平均値からのバラつきの割合)の平均は,6.4%であったのに対し,QUAPIXでは,2.4%となり測定者によるバラつきが1/3程度少なくなっていることが確認できる。このことは,QUAPIXが測定者によらず繰り返し精度の高い路面輝度測定が可能であることを示している。
(a) スポット輝度計の場合
(b) 写真測光法の場合
図15 輝度測定の繰り返し精度の検証結果
4.まとめ
本稿は,QUAPIX(写真測光法)を用いた,道路の「平均路面輝度・輝度均斉度」の評価手法について検討し,実地実験によりその妥当性の検証を行った。その結果,図14(a)(b)より平均路面輝度,総合均斉度とも,スポット輝度計による測定結果とQUAPIXによる測定結果はその差が10%以内となり,概ね一致していることが確認できた。またQUAPIXでは,図15より測定者によらず繰り返し精度の高い輝度測定が可能であることが確認できた。
以上の結果より,QUAPIXによる路面輝度測定は実用上十分信頼性のあるシステムであることを明らかにすることができた。
参考文献
- 社団法人 日本道路教会:道路照明施設設置基準・同解説,第8章 検査・第9章 維持管理,2006-10.
- 山田哲司,他:光環境評価システム「QUAPIX™」(その1),IWASAKI技報,No.20, pp.1-7 (2009).
- CIE : CALCULATION AND MEASUREMENT OF LUMINANCE AND ILLUMINACE IN ROAD LIGHTING, Publication CIE N° 30-2, pp.60-62 (1982).
この記事は弊社発行「IWASAKI技報」第30号掲載記事に基づいて作成しました。
(2014年5月30日入稿)
テクニカルレポートに掲載されている内容は、原稿執筆時点の情報です。ご覧の時点では内容変更や取扱い中止などが行われている可能性があるため、あらかじめご了承ください。