施設報告

新横浜スケートセンター照明設備

営業技術部 東日本技術設計センター
営業技術部 LCS
ライティングソリューション事業本部 民需特販営業部 東京第二営業課

キーワード

新横浜スケートセンター,屋内スケートリンク,LED,投光器,LEDioc FLOOD DUELL™,分散配置,サイド配置

1.はじめに

新横浜スケートセンターは,1990年10月に神奈川県横浜市港北区の新横浜駅前にオープンした屋内スケートリンクである。本施設は,国際規格に準ずる30m×60mのスケートリンクと,2,500名収容可能な観覧席(固定席は1,406席)を有しており,一般滑走の他,アイスホッケーやフィギュアスケート等,年間を通してアイススケートを楽しむことのできる施設となっている(図1)。

本施設の照明設備には,LED高出力形投光器LEDioc FLOOD DUELLが採用されており,本稿では,2016年8月に納入した同施設の照明設備について紹介する。

図1 改修後のスケートリンクの様子

2.照明設計

2.1 照明コンセプト

本施設の照明設計にあたっては,弊社より以下の4つのコンセプトを提案し,それをもとに照明計画を行った。

  1. プレー環境の向上
  2. 環境負荷の低減
  3. 保守性の向上
  4. 経済性の向上

2.2 照明手法

屋内運動場における照明器具の配置方式は,照明器具を天井に取り付ける「分散配置」と,サイド(壁面)に取り付ける「サイド配置」の2つの内どちらかが基本的な方式として採用されるが,本施設ではその2つの方式を組み合わせた「分散配置」+「サイド配置」の併用配置により,両方式の利点が得られる手法を採用している。各照明手法の配置イメージと照度分布を表1に,そのメリットおよびデメリットを表2に示す。

表1 照明手法の配置イメージと照度分布
照明手法 配置イメージ 照度分布
分散配置
サイド配置
分散配置
+
サイド配置
(併用配置)
表2 照明手法のメリットとデメリット
照明手法 メリット デメリット
分散配置
  • 水平面照度を確保しやすい。
  • 競技の妨げとなる影が生じにくい。
  • 空間全体で,明るさが落ち込む箇所がある。
サイド配置
  • 空間の明るさを確保しやすくなる。
  • 審判や観客方向からの競技者の動きが認識しやすくなる。
  • 照明器具の照射方向とは直交する方向から見た場合※,明るさが落ち込む箇所がある。
  • サイドからのグレアを感じやすい。
  • 影が出やすい。
分散配置
+
サイド配置
(併用配置)
  • 分散配置,サイド配置の各手法のメリットとなる水平面および空間の明るさを得ることができる。
  • サイド照明の設置台数が少なくなるため,サイド配置と比べグレアの軽減もできる。
  • 点灯パターンを天井のみ,サイドのみ等に使い分けることができる。
  • サイド配置よりも設置台数が増える。
  • ※照射方向と直交する方向は,明るさが最も落ち込みやすい方向ではあるが,必ずしもこの限りではない。

3.設備概要

3.1 照明設備概要

本施設に設置した照明器具と設置数量を表3に示す。なお,当照明器具へ改修したことで,器具設置台数が448台から62台へ減少し,消費電力が255kWから42kWへ約83%削減されており,照明設備の省エネルギー化に大きく貢献できるものとなった。

表3 照明設備一覧
区分 機種 配光 数量(台)
天井照明 LED高出力形投光器 ×2灯
LEDioc FLOOD DUELL 560W(高天井仕様)
超広角タイプ 16セット
ハロゲン電球非常灯 ×1灯
器具:JGW172P-K
ランプ:JD110V250W/P/M
-
サイド照明 LED高出力形投光器
LEDioc FLOOD DUELL 830W
超広角タイプ 16
広角タイプ 14

(1) 天井照明
天井照明には高天井用に仕様変更したLEDioc FLOOD DUELL 560Wタイプの投光器2台と,非常照明用のハロゲン電球非常灯1台を組み合わせたものを使用し,これら計16セットを天井に埋め込むことで,天井面がフラットになり,全体的に空間がすっきりとした印象を与えるものとなった(図2)。

図2 天井照明

(2) サイド照明
サイド照明にはLEDioc FLOOD DUELL 830Wタイプの投光器を片側15灯ずつ,計30灯を壁面の上部に設置した(図3)。また,配光タイプに超広角タイプと広角タイプの2種類を用いており,それらを交互に配置してスケートリンクを均一に照射できるよう工夫している。

図3 サイド照明

3.2 設計照度

天井照明およびサイド照明を全点灯させることで,平均照度1500ℓxを確保している。

図4に照度分布図を示す。本図は,提案時の照明器具配置(表1の併用配置)をベースに検討を重ねた最終的な照度分布図となっている。なお,図の△印は投光器の設置位置を示しており,そこから延びる直線は投光器の照射方向を示している。

また,改修後に図1とは別角度から撮影したスケートリンクの写真を図5に示す。

照度および照度計算範囲 単位(ℓx)
範囲 維持平均照度 最大照度 最小照度 均斉度(最小/平均)
スケートリンク内 1567 1851 1073 0.685
全体 1269 1851 320 0.252
客席A 288 336 236 0.819
客席B 288 336 236 0.819
  • 注記)曲線上の数値は維持水平面照度を示す。単位(ℓx)
    反射率は,天井30%・壁30%・床50%とする。
    遮蔽物の影響は考慮しないものとする。
    客席の傾斜は考慮しないものとする。

図4 照度分布図

図5 スケートリンクの様子

3.3 照明点灯パターン

照度レベルは,調光可能形の照明器具を用いることで,施設内に設置した照明操作盤から制御できるようになっている(図6,図7)。あらかじめ利用状況に合わせて設定した「一般用」,「アイスホッケー用」,「競技用」の3パターンのほか,施設の利用状況に合わせて1500ℓx,750ℓx,500ℓx,200ℓxの明るさに調整することも可能としている。

図6 照明操作盤

図7 副操作盤

3.4 機器仕様

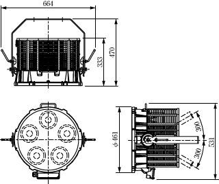
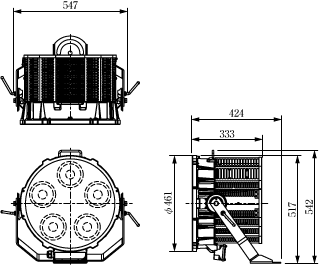
各LEDioc FLOOD DUELLの電気特性と照明特性を表4に,器具と電源装置の仕様を表5に,器具の外形図を図8,図9に示す。なお,電源装置は別置きとなっている。

表4 機器特性
器具 560Wタイプ 830Wタイプ
電気特性 入力電圧(V) 200/242
周波数(Hz) 50/60
入力電流(A) 3.02/2.48 3.83/3.14
消費電力(W) 595/591 756/750
照明特性 定格光束(ℓm) 超広角:58000 超広角:90400
広角:95000
定格寿命(h) 40000
相関色温度(K) 5000
平均演色評価数(Ra) 70
表5 機器仕様
器具 560Wタイプ 830Wタイプ
器具仕様 本体 アルミダイカスト
前面カバー ポリカーボネート
質量 16kg 17kg
使用温度範囲 -20℃~+35℃
仕上色 ホワイト
(日塗工HN-95艶なし)
電源装置仕様 外形寸法 480×141×117 mm
質量 4.5kg
使用温度範囲 -20℃~+35℃
二次側配線長 50m以内
調光信号 PWM

図8 560Wタイプ 外形寸法図

図9 830Wタイプ 外形寸法図

3.5 配光特性

LEDioc FLOOD DUELLは,光軸の明るさを広げることで照明範囲に寄与する光の量を変えることなくスポット性が抑制され,むらのない均一な光の空間を作ることができる照明器具となっている。

3.6 省メンテナンス

本施設では,照明器具は高所に設置されており,足場となる部分は氷上となっているため,ランプ交換の際には氷を溶かし,足場を組む大掛かりな作業が必要となる。

LEDioc FLOOD DUELLのLEDモジュール寿命(定格寿命)は40000時間と長寿命であり,ランプ交換も不要であるため,メンテナンスの省力化を図ることができる。

3.7 保安照明

2灯1組の天井照明には,投光器の間に非常用照明器具を組み込んでおり,停電時には本施設の非常用電源から電力供給を受け,保安照明として点灯させる。この保安照明は,非常照明として必要とされる最低1ℓx以上の照度を確保している。

図10,図11に保安照明とその点灯状況を示す。

図10 保安照明

図11 保安照明の点灯状況

4.おわりに

LEDioc FLOOD DUELLは発売以来,本施設をはじめとした数多くのスポーツ施設に納入実績がある。今後もLEDioc FLOOD DUELLをはじめとするLED照明器具が多くの施設で採用されていくことを期待したい。

最後に,新横浜スケートセンターの照明設備完成にあたり,LEDioc FLOOD DUELLをご採用いただいた(株)西武プロパティーズ様,西武建設(株)様,並びにご指導,ご協力をいただいたすべての皆様に心より感謝を申し上げる。

この記事は弊社発行「IWASAKI技報」第36号掲載記事に基づいて作成しました。
(2017年4月18日入稿)


テクニカルレポートに掲載されている内容は、原稿執筆時点の情報です。ご覧の時点では内容変更や取扱い中止などが行われている可能性があるため、あらかじめご了承ください。