高出力形LED投光器「LEDioc FLOOD DUELL™」に最上位機種をラインアップ
メタルハライドランプ2000W用投光器と同等の明るさのLED投光器を発売
2014年10月20日
岩崎電気株式会社は、メタルハライドランプ2000W用投光器と同等の明るさ※1を達成した高出力形LED投光器「LEDioc FLOOD DUELL(レディオック フラッド デュエル)™」計6品種をラインアップに追加し、2014年11月より発売いたします。
「LEDioc FLOOD DUELL™」は、屋外スポーツ施設などで多く使用されている従来形HID投光器と同等の明るさと配光特性のLED投光器シリーズとして、2013年9月にメタルハライドランプ1000W及び1500W用投光器相当品を発売し、お客様よりご好評をいただいております。
この度、さらなる高出力化並びに小型化を実現し、同2000W用投光器相当クラスをシリーズの最上位機種としてラインアップします。 これにより、高い照度が求められる野球場やサッカー場・陸上競技場などの大型スポーツ施設のLED化を同等の設置台数で実現し、大幅な節電と省メンテナンスに貢献します。
高出力LED投光器「LEDioc FLOOD DUELL™」の主な特長
(1) 高出力
高出力:定格光束110000ℓm(高演色形)でメタルハライドランプ2000W用投光器同等
(2) 計6品種のラインアップ
高演色形・高効率形の2種類に、中角・広角・超広角と3種類の配光タイプのラインアップ
(3) 高い省エネ性
約半分の消費電力と初期照度補正機能で高い省エネ性(メタルハライドランプ2000W用投光器比)
(4) 小型・軽量設計
既設の投光器架台を使用可能な小型・軽量設計
(5) 電源別置
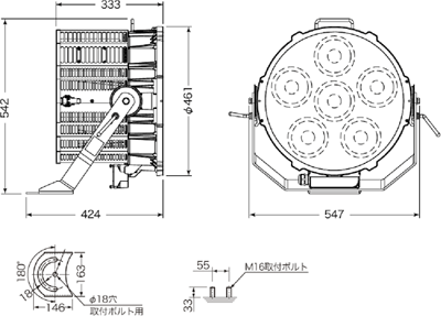
電源のメンテナンス性向上と投光器の本体質量18kgの軽量化
(6) 高い安全性能
高い安全性能の誘導雷サージ対策と強固なポリカーボネートの採用
(7) ハイビジョン撮影やハイスピードカメラ撮影に対応
ハイビジョン撮影やハイスピードカメラ撮影に対応する平均演色評価数Ra80とフリッカレス点灯
(8) 長寿命
LEDモジュール寿命は40000時間(光束維持率85%時)でメタルハライドランプの約6.6倍
「LEDioc FLOOD DUELL™」は、高出力LEDのCOB※2パッケージと反射鏡、前面レンズを組み合わせた配光制御技術と熱制御技術を駆使し、出力特性を最大限に引出すことに成功し、定格光束110000ℓm※3を達成しています。
また、投光器本体を新たに開発。弊社メタルハライドランプ2000W用投光器最小型と同寸法(ø461mm)の前面径を実現しました。
専用電源を別置形にすることで、投光器本体の質量を18kgに軽量化。
設置工事の負担を軽減し、専用電源を照明柱下部へ設置することで、照明柱への負荷の軽減並びにメンテナンス性を向上します。
既設の取付架台にそのまま取り付けられるため、取付架台の改修コストを抑えることが可能です。
メタルハライドランプ2000W用投光器と同等の明るさを約半分※4の消費電力1120W(200V入力時定格値)で実現。
電力会社との契約を見直すことで大幅な電力料金の低減が期待できます。
さらに、省エネ効果を高める「初期照度補正機能」を搭載しています。
LEDは長寿命・高効率の光源ですが、メタルハライドランプと同様に点灯時間により明るさが低下していきます。
照明設計を行う際は、寿命末期の明るさを考慮して設計しているため、設置初期では設計照度以上の明るさとなり、余分な電力を費やしています。
「初期照度補正機能」は、寿命末期まで一定の明るさを保ち、設置初期からの余分な明るさと消費電力を抑制する機能です。
また、瞬時点灯・瞬時再始動の特性により、こまめな電源管理が可能になり、運用面での消費電力低減も期待できます。
ラインアップは、ハイビジョン撮影に対応する平均演色評価数Ra80の「高演色形」、より高い省エネ効果を実現可能な「高効率形」の2種類に、それぞれ3種類「中角」・「広角」・「超広角」の配光タイプを取り揃えた合計6機種。さまざまな目的や用途に応じてお選びいただけます。
「光の質」にもこだわり、独自設計の専用電源も新開発。
明滅を低減するフリッカレス点灯を実現し、近年のテレビ放送で多く使われるハイスピードカメラ撮影によるスーパースロー再生においても、「ちらつき」のない照明環境を創出します。
実際にハイスピードカメラを用いた社内実験を動画にて公開しております。
プロユース施設への設置を想定し、時速130kmの野球の硬式ボールの衝突に耐える強度のポリカーボネート製前面カバーを採用。
屋外の誘導雷(サージ)の影響を考慮し「耐雷サージ電圧15kV対応」、施設のメンテナンスコストを軽減するLEDモジュール寿命40000時間など、高出力や省エネ性能以外にも安全性やランニングコストの軽減※5に配慮した設計となっています。

LED投光器フリッカレス点灯検証実験 動画
- ※1:弊社HID投光器(H726(7)SX、H726(7)DX)とメタルハライドランプ2000W(M(F)2000B/BH)の組合せとの比較。
- ※2:COB=チップ・オン・ボード(Chip on board)の略。
- ※3:高演色形(Ra80)の特性値を示す。
- ※4:弊社メタルハライドランプ2000W用パルス進相形安定器(形式 M20BCAP2A(B)71)の入力電力値2070Wとの比較。
- ※5:メタルハライドランプ2000W(定格寿命6000時間)の約6.6倍と長寿命なため、ランプの交換の手間を省くことができ、メンテナンスコストの削減に貢献
ラインアップと主な仕様 (参考値)
| タイプ | 消費電力 | 配光 | 定格光束 (器具光束) |
軸光度(cd/1000ℓm) | 1/10ビームの開き | 希望小売価格 |
|---|---|---|---|---|---|---|
| 高演色形(Ra80) | 1120W | 中角 | 110000ℓm | 6800 | 36° | オープン価格 |
| 広角 | 110000ℓm | 2800 | 64° | |||
| 超広角 | 110000ℓm | 900 | 106° | |||
| 高効率形(Ra70) | 1120W | 中角 | 122000ℓm | 6800 | 36° | オープン価格 |
| 広角 | 122000ℓm | 2800 | 64° | |||
| 超広角 | 122000ℓm | 900 | 106° |
共通仕様 (参考値)
| LEDモジュール寿命 | 40000時間(光束維持率85%) |
|---|---|
| 光源色 | 5000K相当(昼白色タイプ) |
| 本体 | アルミダイカスト |
| 前面カバー | ポリカーボネート |
| 反射鏡 | ポリカーボネート |
| 放熱部 | アルミ、銅 |
| 背面保護カバー | ステンレス |
| アーム | 鋼板(溶融亜鉛めっき) |
| 設計風速 | 60m/s |
| 使用温度範囲 | -20℃~+35℃ |
| 電圧 | 200~242V用 |
| 質量 | 投光器本体:18kg 別置形専用電源 :12kg |
寸法図

目標販売数
5,000台/年
- ※LEDにはバラツキがあるため、光色及び明るさが素子ごとに異なることがありますのでご了承ください。
- ※商品改良のため、仕様・外観を予告無しに変更することがありますのでご了承ください。
- ※特性値はすべて周囲温度25℃時の値です。周囲温度により特性値は変わります。
- ※LEDモジュール寿命は設計寿命であり、その寿命を保証するものではありません。
ニュースリリースに掲載されている内容(サービスの内容、商品の価格や仕様など)は、発表日時点の情報です。ご覧の時点では内容が変更されている可能性があるため、あらかじめご了承ください。